EasyManua.ls Logo

Metos CB184A - Page 24

Metos CB184A
40 pages
Print Icon
To Next Page IconTo Next Page
To Next Page IconTo Next Page
To Previous Page IconTo Previous Page
To Previous Page IconTo Previous Page
Loading...
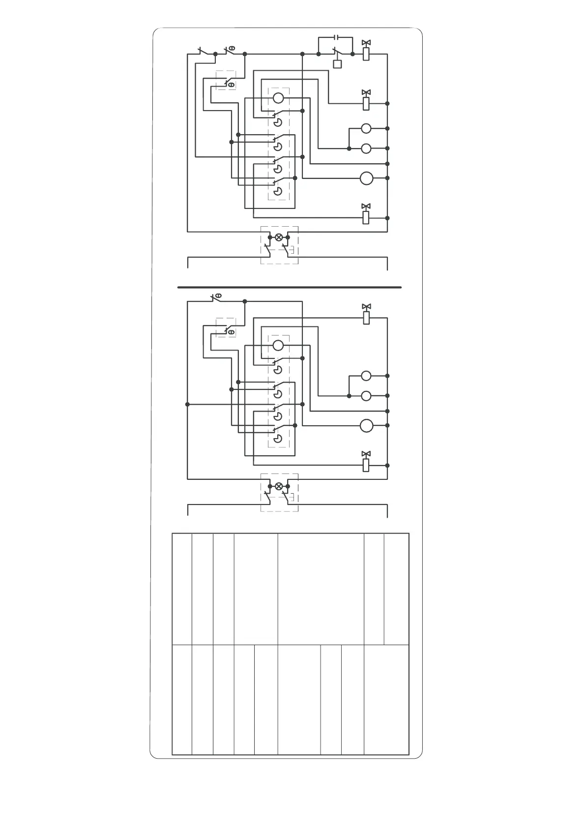
Electric diagram 24459 (valid from 2004.01.28)
= VALKOINEN / WHITEB
= SININEN / BLUEBL
= VALKO-MUSTA / WHITE-BLACKBN
= HARMAA / GREYG
= RUSKEA / BROWNM
= MUSTA / BLACKN
= PUNAINEN / REDR
= PUNA-MUSTA / RED-BLACKRN
= ROSA / PINKRS
= RANCO K59# 6
= ATEA A33 - RANCO K61 -
RANCO K22
# 2
TERMOSTAATTI
SAFETY THERMOSTAT
9.
PAINEKYTKIN
PRESSURE SWITCH
10.
ON-OFF KYTKIN (VIHREÄ)
SWITCH ON-OFF (GREEN LIGHT)
12.
TERMOSTAATTI, ALLAS
BIN THERMOSTAT
1.
TERMOSTAATTI, HÖYRYSTIN
EVAPORATOR THERMOSTAT
2.
AJASTIN
TIMER
3.
KOMPRESSORI
COMPRESSOR
4.
VENTTIILI, KUUMAKAASU
HOT GAS VALVE
5.
HÖYRYSTIMEN VESIVENTTIILI
WATER INLET VALVE FOR
EVAPORATOR
6.
PUMPPU
PUMP
7.
PUHALLINMOOTTORI
FAN MOTOR
7a.
VESIVENTTIILI LAUHDUTTI-
MELLE
WATER INLET VALVE FOR
CONDENSER
8.
VIRTAPIIRIKAAVIO / ELECTRIC DIAGRAM
Cod. 24459 - Rev. 01
ILMALAUHDUTTEINEN / AIR COOLED VESILAUHDUTTEINEN / WATER COOLED
N
BL
BL
N
BL
BL
BL
B
G
M
B
MM
B
N
R
N
BL
A4
RN
M
M
A3
A2
BN
RN
BN
M
A1
3
#
RN
4
M
BN
N
N
M
M
N
BL
BL
N
BL
B
G
M
B
M
B
BL BL
R
M
N
RS
RS
P
C
N
N
N
N
RN
A4
A3
A2
BN
BN
M
M
A1
RN
M
RN
#
M
N
N
3
4
BN
3
6
N
12
7a
4
7
5
N
12
L
2
1
L
3
6
4
7
8
7a
5
10
9
2
1
CB 184
24459.pdf