EasyManua.ls Logo

Metos CB184A - Page 25

Metos CB184A
40 pages
Print Icon
To Next Page IconTo Next Page
To Next Page IconTo Next Page
To Previous Page IconTo Previous Page
To Previous Page IconTo Previous Page
Loading...
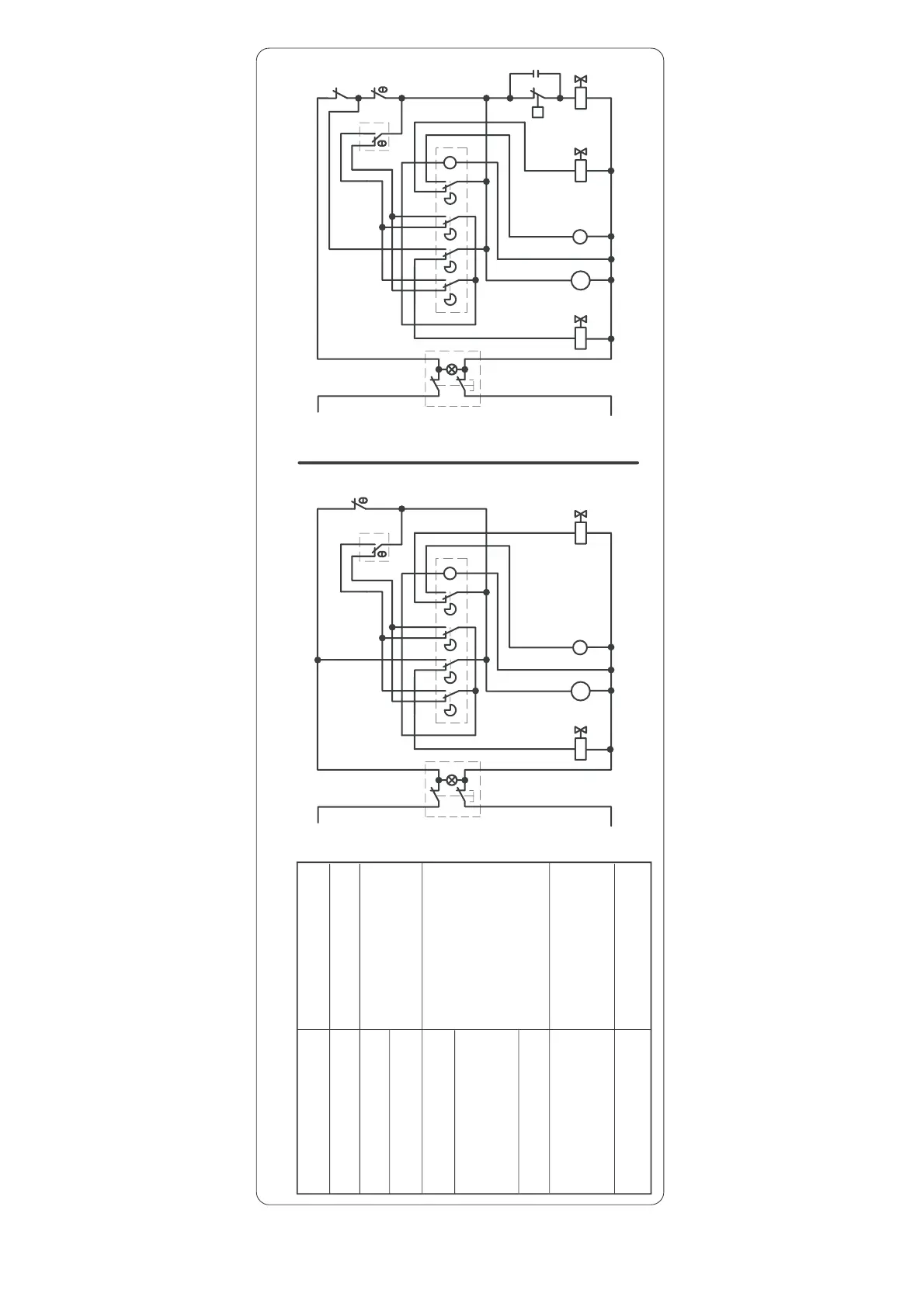
Electric diagram 24312 rev 03 (valid from 2004.01.28)
TERMOTAATTI, ALLAS
BIN THERMOSTAT
1.
TERMOSTAATTI, HÖYRYSTIN
EVAPORATOR THERMOSTAT
2.
AJASTIN
TIMER
3.
= VALKOINEN / WHITEB
= SININEN / BLUEBL
= VALKO-MUSTA / WHITE-BLACKBN
= HARMAA / GREYG
= RUSKEA / BROWNM
= MUSTA / BLACKN
= PUNAINEN / REDR
= PUNA-MUSTA / RED-BLACKRN
= ROSA / PINKRS
= RANCO K59# 6
= ATEA A33 - RANCO K61 -
RANCO K22
# 2
VIRTAPIIRIKAAVIO / ELECTRIC DIAGRAM
Cod. 24312 - Rev. 03
KOMPRESSORI
COMPRESSOR
4.
KUUMAKAASUVENTTIILI
HOT GAS VALVE
5.
VESIVENTTIILI
HÖYRYSTIMELLE
WATER INLET VALVE FOR
EVAPORATOR
6.
PUMPPU
PUMP
7.
VESIVENTTIILI
LAUHDUTTIMELLE
WATER INLET VALVE FOR
CONDENSER
8.
TERMOSTAATTI
SAFETY THERMOSTAT
9.
PAINEKYTKIN
PRESSURE SWITCH
10.
ILMALAUHDUTTEINEN / AIR COOLED
#
4
3
VESILAUHDUTTEINEN / WATER COOLED
#
4
3
N
BL
BL
BL
BL
N
M
G
M
B
A3
A4
A2
BL
R
N
A1
N
BL
RN
M
M
BN
RN
BN
M
N
M
N
RN
BN
M
M
BL
BL
BL
BL
N
M
G
A4
A3
M
B
R
A1
A2
N
N
N
BN
RN
M
RN
BN
M
M
RN
BN
N
N
M
P
RS
RS
N
N
N
C
BL
7
4
6
N
12
5
N
3
12
L
2
1
L
5
7
4
6
3
2
1
9
8
10
ON-OFF KYTKIN (VIHREÄ)
SWITCH ON-OFF (GREEN LIGHT)
12.
CB 249, CB 316, CB 425
24312.PDF