EasyManua.ls Logo

Metos CB184A - Page 26

Metos CB184A
40 pages
Print Icon
To Next Page IconTo Next Page
To Next Page IconTo Next Page
To Previous Page IconTo Previous Page
To Previous Page IconTo Previous Page
Loading...
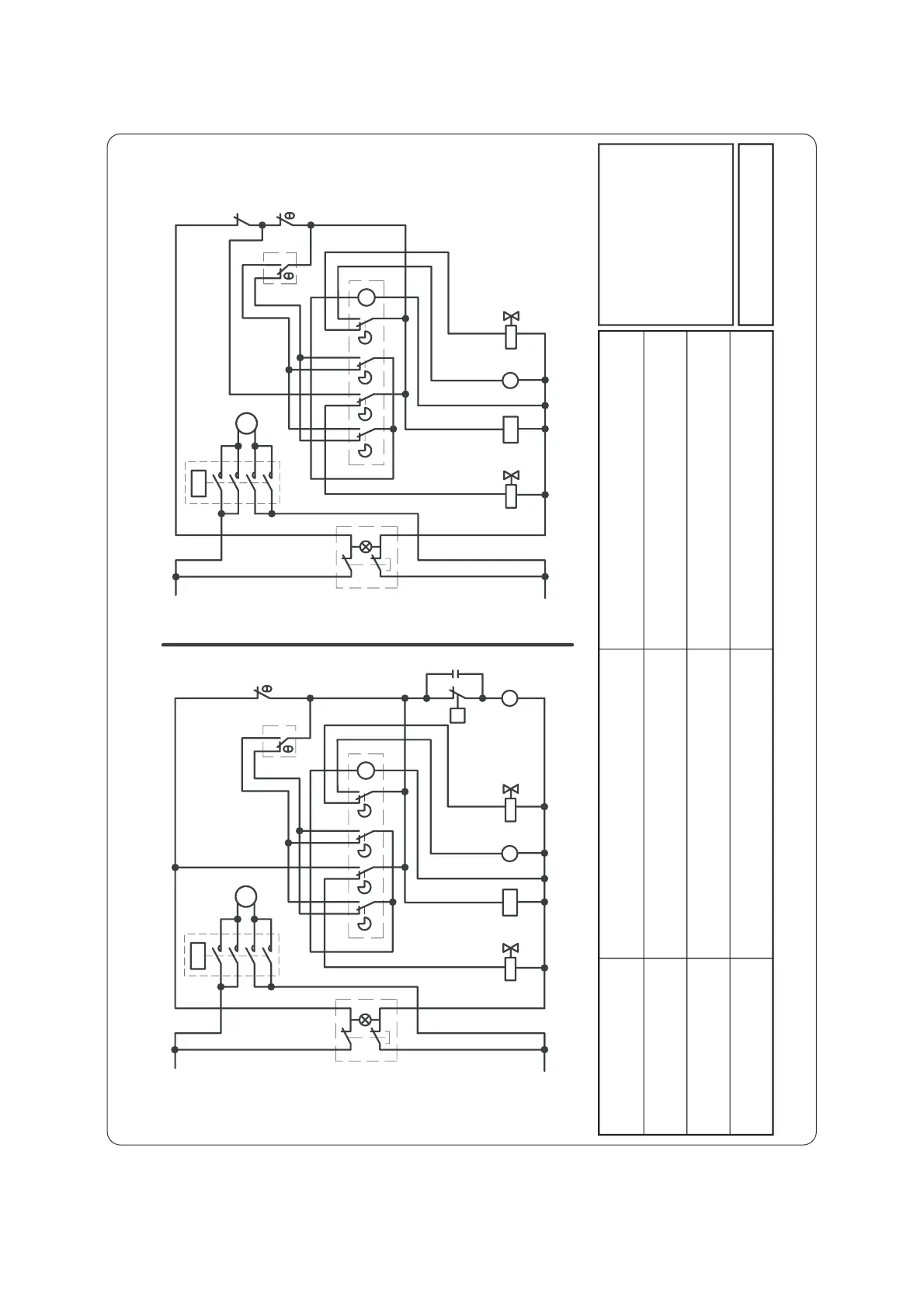
Electric diagram 24313 rev.4 (valid from 2004.07.22)
VIRTAPIIRIKAAVIO / ELECTRIC DIAGRAM
ILMALAUHDUTTEINEN / AIR COOLED VESILAUHDUTTEINEN / WATER COOLED
N
BL
BL
BL
BL
N
N
M
B
A3
A4
A2
N
A1
N
RN
M
M
BN
RN
BN
M
N
M
N
RN
BN
4
3
M
K1
BL
R
RS
BL
RS
N
N
C
N
P
M
M
BL
A4
BL
BL
BL
N
BL
M
BL
K1
BL
B
N
R
A2
A3
N
N
A1
N
RN
M
M
M
BN
RN
BN
3
RN
4
M
BN
N
N
M
#
#
M
8
6
4
2
K1
BL
7
5
3
G
1
M
8
6
4
2
K1
BL
7
5
3
G
1
M
7
6
N
12
3
L
2
1
5
10
7a
N
6
12
5
7
3
L
2
1
11
4
11
4
9
Cod. 24313 - Rev. 04
B = VALKOINEN / WHITE
BL = SININEN / BLUE
BN = VALKO-MUSTA/ WHITE-BLACK
G = HARMAA / GREY
M = RUSKEA / BROWN
N = MUSTA / BLACK
R = PUNAINEN / RED
RN = PUNA-MUSTA / RED-BLACK
RS = ROSA /PINK
4.
KOMPRESSORI
COMPRESSOR
1.
TERMOSTAATTI ALLAS
BIN THERMOSTAT
11.
KONTAKTORI
CONTACTOR
9.
TERMOSTAATTI
SAFETY THERMOSTAT
3.
AJASTIN
TIMER
10.
PRESSOSTAATTI
PRESSURE SWITCH
2.
TERMOSTAATTI HÖYRYSTIN
EVAPORATOR THERMOSTAT
7a.
PUHALLINMOOTTORI
FAN MOTOR
5.
KUUMAKAASUVENTTIILI
HOT GAS VALVE
7.
PUMPPUA
PUMP
6.
HÖYRYSTIMEN VESIVENTTIILI
WATER INLET VALVE FOR EVAPORATOR
# 6 = RANCO K59
# 2 = RANCO K22
12.
ON-OFF KYTKIN (VIHREÄ)
SWITCH ON-OFF (GREEN LIGHT)