EasyManua.ls Logo

Metos CB184A - Page 28

Metos CB184A
40 pages
Print Icon
To Next Page IconTo Next Page
To Next Page IconTo Next Page
To Previous Page IconTo Previous Page
To Previous Page IconTo Previous Page
Loading...
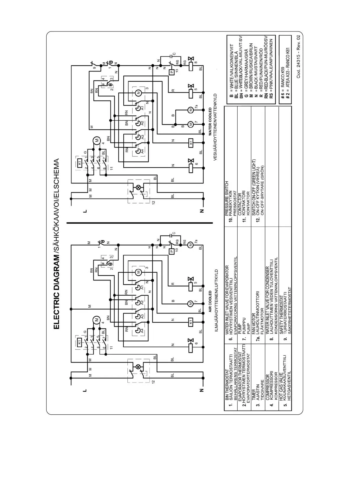
Electric diagram 24315 (valid from 2003.02.10)