EasyManua.ls Logo

Metos CB184A - Page 29

Metos CB184A
40 pages
Print Icon
To Next Page IconTo Next Page
To Next Page IconTo Next Page
To Previous Page IconTo Previous Page
To Previous Page IconTo Previous Page
Loading...
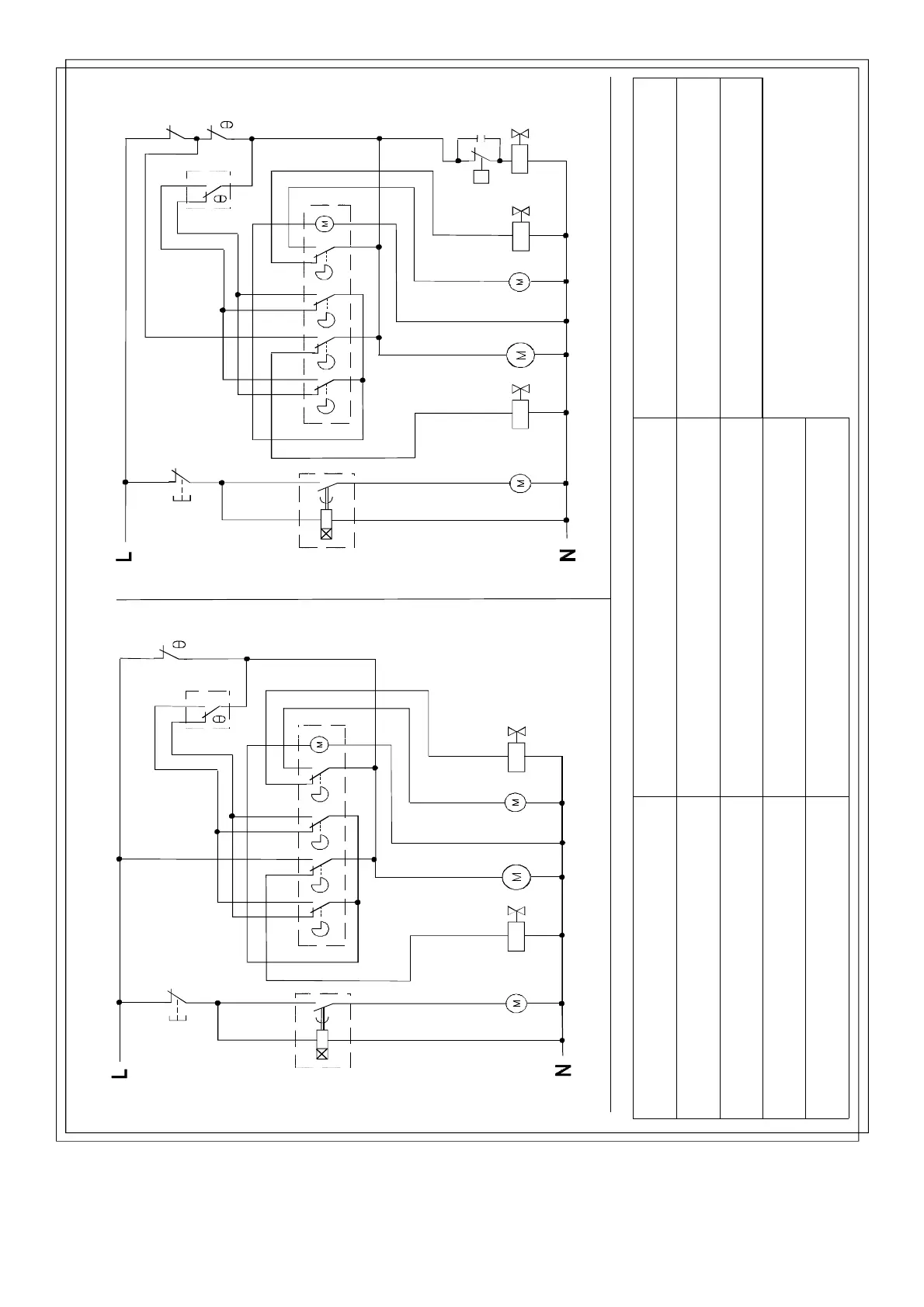
Electric diagram 24158
6
4
7
5
8
10
P
C
3
A1
A2A3
2
9
A4
1
4
32
6
4
7
5
3
A1
A2A3
2
A4
1
4
32
15
24
15.
MICRO SWITCH NORMALLY CLOSED
MIKROKYTKIN NORMAALISTI SULJETTU
MIKRO-BRYTARE NORMALT STÄNGD
24.
ICE CUBES DELIVERY GEAR MOTOR
JÄÄPALA-ANNOSTELIJAN KONEISTON MOOTTORI
ISKUBUTMATNINGS VERK MOTOR
37.
ICE DELIVERY TIMER
JÄÄANNOSTELUN AJASTIN
ISUTMATNING TIDGIVARE
COD. 24158 REV.01
15
18
A2
A1
37
15
18
A2
A1
37
15
24
DSS42A/W 220/50-60
1.
TANK THERMOSTAT
SÄILIÖN TERMOSTAATTI
TANK THERMOSTAT
2.
EVAPORATOR THERMOSTAT
HÖYRYSTIMEN TERMOSTAATTI
EVAPORATOR TERMOSTAT
3.
TIMER
AJASTIN
TIDGIVARE
4.
5.
HOT GAS VALVE
KUUMA KAASU VENTTIILI
VARM GAS VENTIL
6.
WATER INLET VALVE FOR EVAPORATOR
HÖYRYSTIMEN VESIVENTTIILI
VATTENS INLOPPSVENTIL TILL EVAPORATOR
7.
PUMP + FAN
PUMPPU + TUULETIN
PUMPA + FLÄKT
COMPRESSOR
KOMPRESSORI
KOMPRESSOR
9.
SAFETY THERMOSTAT
TURVATERMOSTAATTI
SÄKERHETSTERMOSTAT
10.
PRESSURE SWITCH
PAINEKYTKIN
PRESSOSTAT
8.
WATER INLET VALVE FOR CONDENSER
LAUHDUTTIMEN VEDEN TULOVENTTIILI
VATTENS INLOPPSVENTIL TILL KONDENSOR
ELECTRIC DIAGRAM / SÄHKÖKAAVIO / ELSCHEMA
AIR COOLED / ILMAJÄÄHDYTTEINEN / LUFTKYLD
WATER COOLED / VESIJÄÄHDYTTEINEN / VATTENKYLD
7