EasyManua.ls Logo

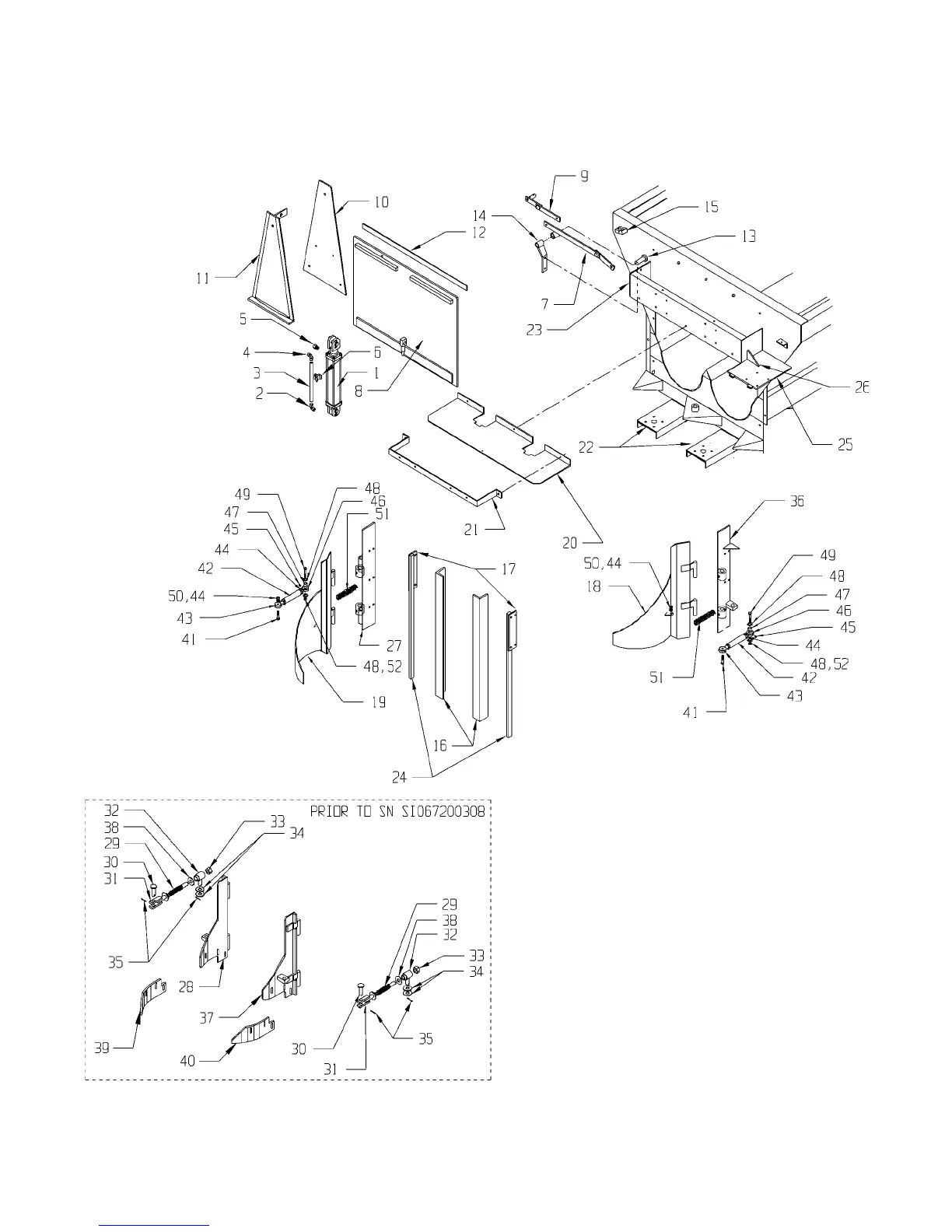
Meyer 7200 - Unloading Gate and Gate Indicator

Default Icon
60 pages
Print Icon
To Next Page IconTo Next Page
To Next Page IconTo Next Page
To Previous Page IconTo Previous Page
To Previous Page IconTo Previous Page
Loading...
Model 7200 -40-
UNLOADING GATE AND GATE INDICATOR

Related product manuals