EasyManua.ls Logo

MFJ MFJ-464 - Page 54

MFJ MFJ-464
55 pages
Print Icon
To Next Page IconTo Next Page
To Next Page IconTo Next Page
To Previous Page IconTo Previous Page
To Previous Page IconTo Previous Page
Loading...
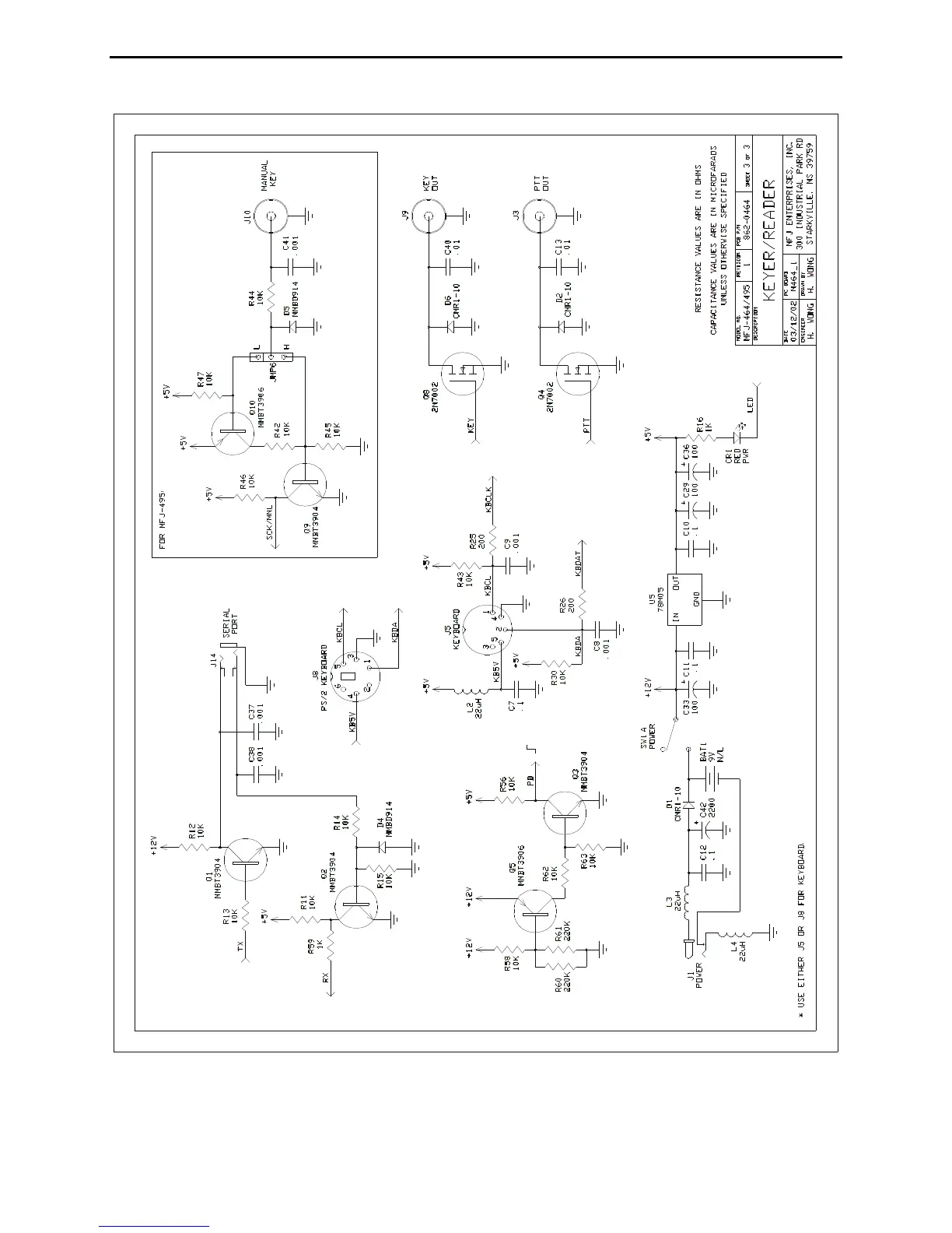
MFJ-464 Instruction Manual CW Keyer/Reader
50

Table of Contents

Related product manuals