EasyManua.ls Logo

Microchip Technology BM83 EVB - Page 53

Microchip Technology BM83 EVB
73 pages
Print Icon
To Next Page IconTo Next Page
To Next Page IconTo Next Page
To Previous Page IconTo Previous Page
To Previous Page IconTo Previous Page
Loading...
Figure 7-21. Stereo AUX Line Input, Audio Headset Output, Audio Board Interface
HPL
HPR
AOHPM
AOHPM
AOHPL
AOHPR
AOHPL/R Stereo
Output Jack
AUDIO HEADSET OUTPUT
12
HDR-2.54 Male 1x2
JP501
1 2
HDR-2.54 Male 1x2
JP503
0R
0603
DNP
R509
0R
0603
DNP
R507
0.1uF
0603
DNP
C520
0.1uF
0603
DNP
C515
1
TP502
1
TP505
5
1
4
3
2
JACK Stereo Phone 3.5mm
P503
68uF
6.3V
TANT-B
C517
68uF
6.3V
TANT-B
C519
Shunt 2.54mm 1x2
JP505
Shunt 2.54mm 1x2
JP507
AUDIO_BOARD_INTERFACE
GND
0.1uF
50V
0603
C510
0.1uF
50V
0603
C511
0.1uF
50V
0603
C512
0.1uF
50V
0603
C509
GND
GND
GND
NOTE: PWR Voltage range +9 to +15V
HCI_RXD
GND
SCL_DSP
SDA_DSP
SCL
SDA
DT1_DSP
DR1_DSP
15V_DC_IN
5V_DC
3V3_GEN
GND
GND
MCLK1_DSP
SCLK1_DSP
RFS1_DSP
P3_7
HCI_TXD P3_4
RX
TX
CTS
RTS
RFS1
DR1
DT1 SCLK1
MCLK1
SLEEP_N_DSPDSP_IRQ_N
DSP_IC_N_DSP
RST(P0_0)
1
2
3
4
5
6
7
8
9
10
11
12
13
14
15
16
17
18
19
20
HDR-2.54 Male 2x10
J500
1
2
3
4
5
6
7
8
9
10
11
12
HDR-2.54 Male 2x6
J501
MUTE_N_DSP
PROT_N_DSP
GND GND
AIR
AIL
LINE_IN_DET
STEREO AUX LINE INPUT
0.1uF
16V
0603
C508
10uF 16V
0805
C503
10uF 16V
0805
C505
5V
DNP
D500
5V
DNP
D501
5V
SOD-882
DNP
D502
1K 0603
R502
1K 0603
R503
10k
0603
1%
R501
10k
0603
1%
R504
470pF
50V
0603
C501
470pF
50V
0603
C507
4
1
10
3
2
CON JACK PHONE 3.5mm TSH-386D
P501
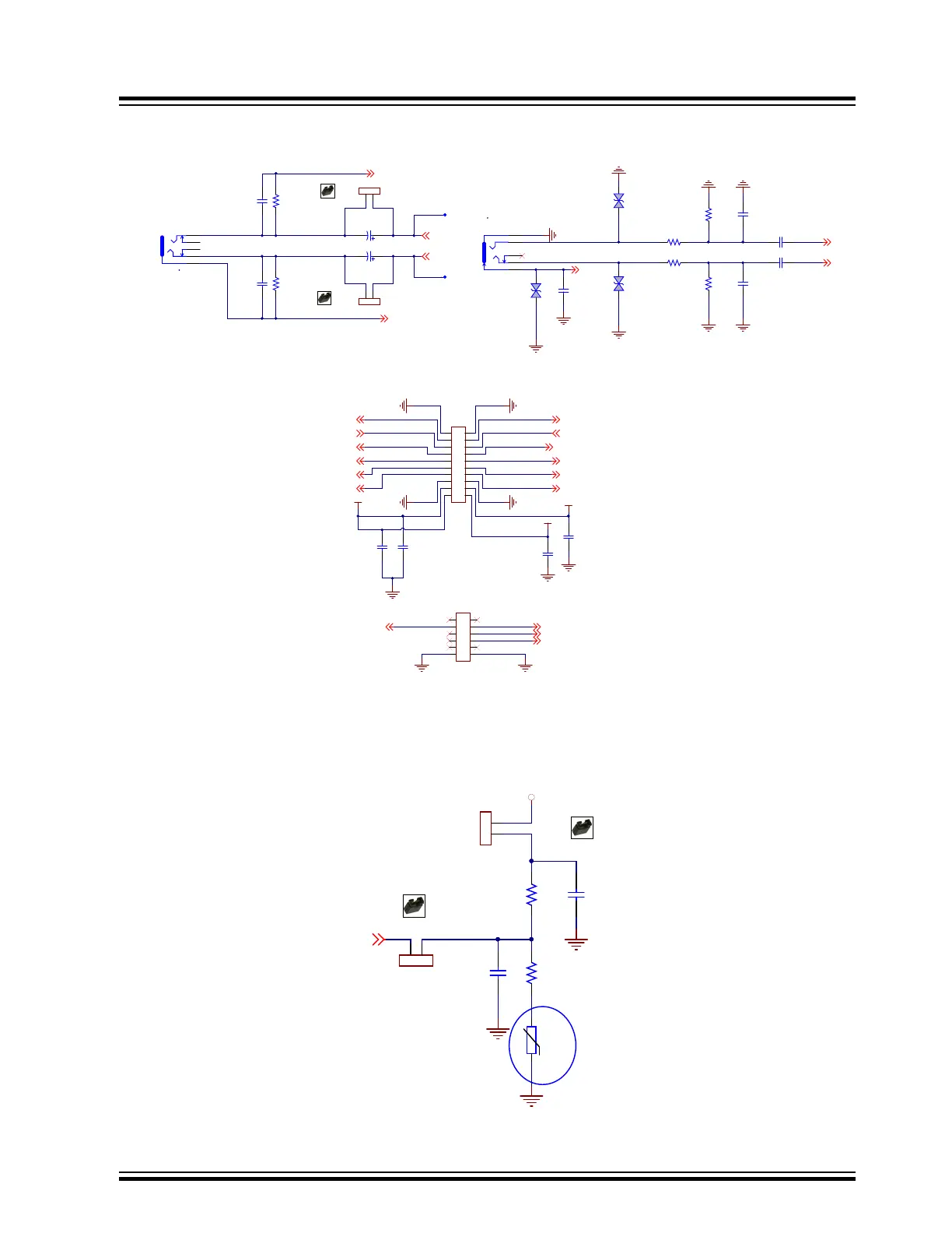
Figure 7-22. Temperature Sensor
AMB_DET
NCP15WF104F03
(Thermistor)
86.6k
0603
1%
R322
-t
100k
0402
1%
TH300
0.1uF
16V
0603
C303
1 2
HDR-2.54 Male 1x2
JP302
12
HDR-2.54 Male 1x2
JP301
1uF
16V
0603
C304
1M
0603
1%
R321
VDD_IO
SK1_AMB_DET
Shunt 2.54mm 1x2
JP312
Shunt 2.54mm 1x2
JP313
BM83 EVB
Appendix A: BM83 EVB Reference Schematics
© 2019 Microchip Technology Inc.
User Guide
DS50002902A-page 53

Related product manuals