EasyManua.ls Logo

Microscan MicroHAWK MV-20 - Page 24

Microscan MicroHAWK MV-20
108 pages
Print Icon
To Next Page IconTo Next Page
To Next Page IconTo Next Page
To Previous Page IconTo Previous Page
To Previous Page IconTo Previous Page
Loading...
Chapter 2 System Components
2-8 MicroHAWK MV-20 / MV-30 / MV-40 Smart Camera Guide
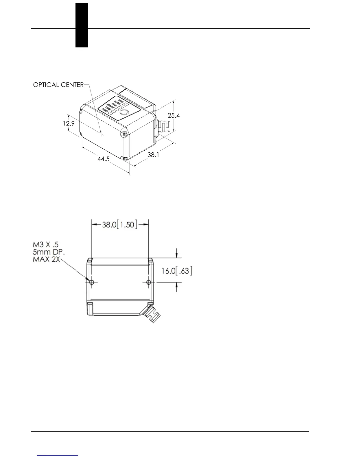
MV-30 Front
MV-30 Base

Other manuals for Microscan MicroHAWK MV-20

Related product manuals