EasyManua.ls Logo

Microscan MicroHAWK MV-20 - MV-30 Cables

Microscan MicroHAWK MV-20
108 pages
Print Icon
To Next Page IconTo Next Page
To Next Page IconTo Next Page
To Previous Page IconTo Previous Page
To Previous Page IconTo Previous Page
Loading...
MV-30 Cables
Cable Specifications
B
MicroHAWK MV-20 / MV-30 / MV-40 Smart Camera Guide B-3
MV-30 Cables
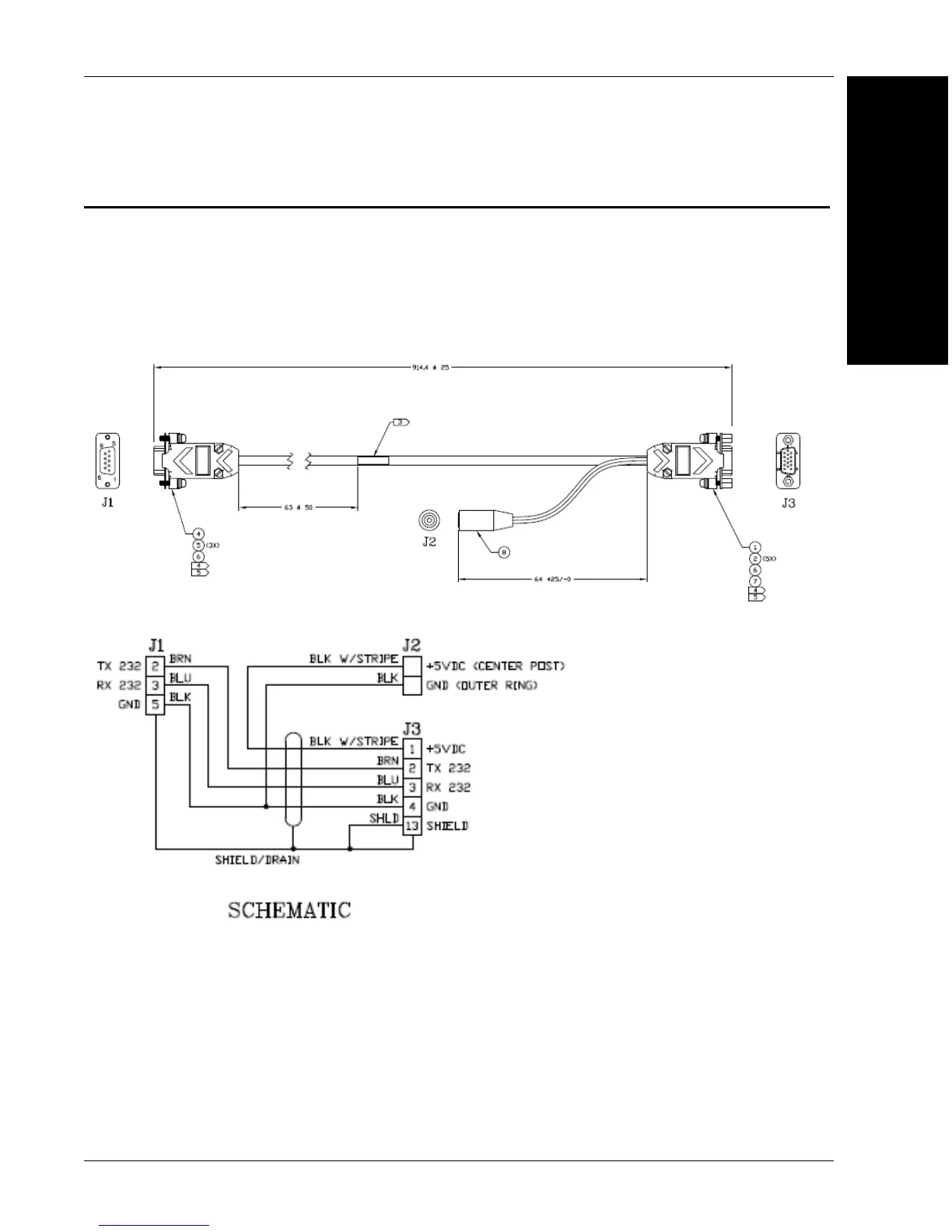
61-9000037-01 DB15 to Ext. Power/RS-232 Cable
The 61-9000037-01 DB15 to Ext. Power/RS-232 cable is cable with one end a 9-pin D-Sub
socket connector (J1) and the other end a DB15 (J3) extended Power/RS-232 (J2). This
cable is used for basic communications applications that require more light or use
higher-speed applications.

Other manuals for Microscan MicroHAWK MV-20

Related product manuals