EasyManua.ls Logo

Microscan MicroHAWK MV-20 - Page 41

Microscan MicroHAWK MV-20
108 pages
Print Icon
To Next Page IconTo Next Page
To Next Page IconTo Next Page
To Previous Page IconTo Previous Page
To Previous Page IconTo Previous Page
Loading...
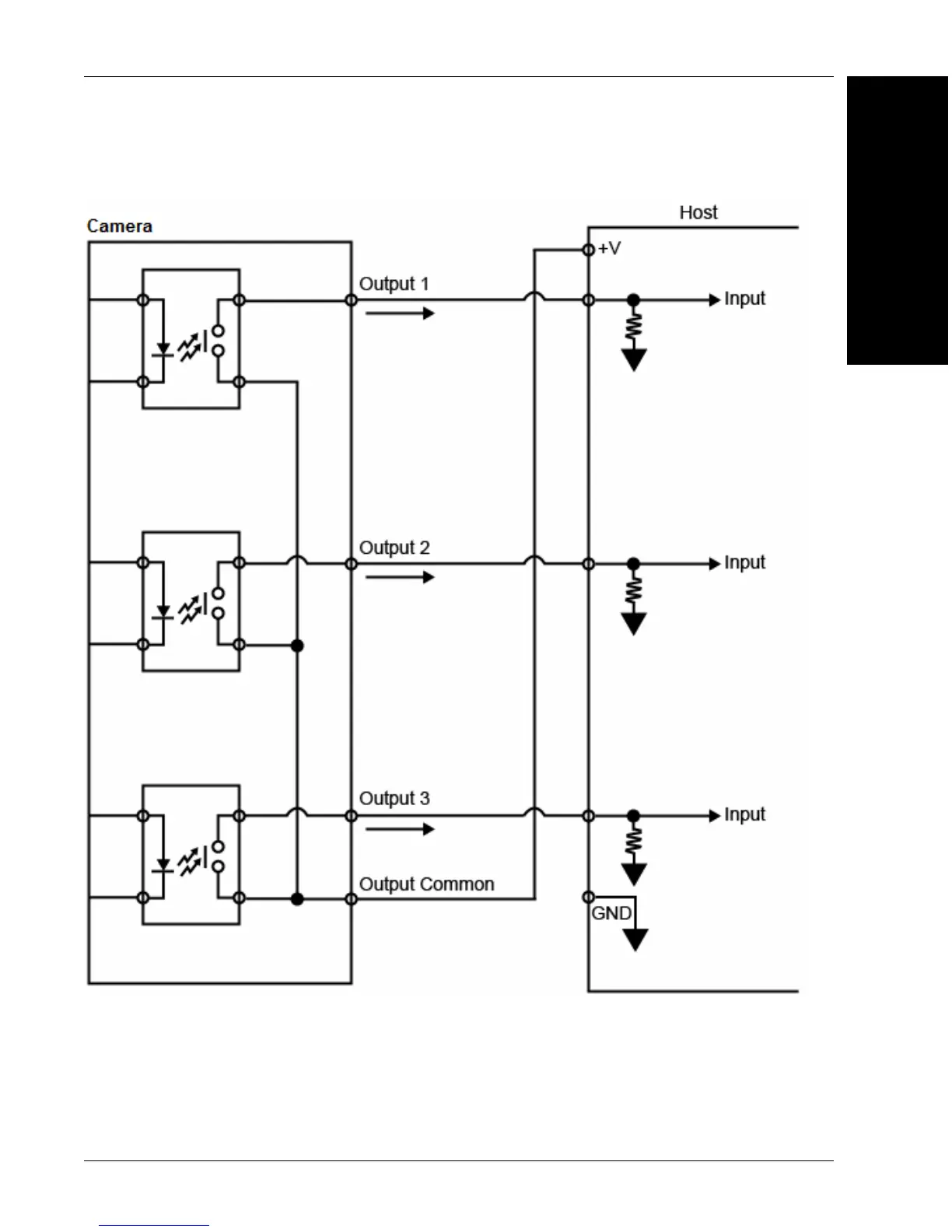
I/O Wiring
System Components
2
MicroHAWK MV-20 / MV-30 / MV-40 Smart Camera Guide 2-25
PNP Output for Host Input (MV-40)

Other manuals for Microscan MicroHAWK MV-20

Related product manuals