EasyManua.ls Logo

Microscan MicroHAWK MV-20 - Page 47

Microscan MicroHAWK MV-20
108 pages
Print Icon
To Next Page IconTo Next Page
To Next Page IconTo Next Page
To Previous Page IconTo Previous Page
To Previous Page IconTo Previous Page
Loading...
Grounding and Power
System Components
2
MicroHAWK MV-20 / MV-30 / MV-40 Smart Camera Guide 2-31
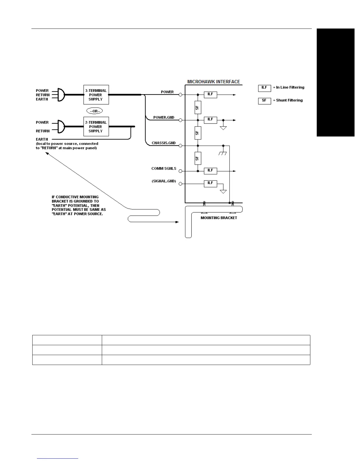
Expected Power and Ground Connections for Proper Operation
Grounding Notes
Ensure that mounting bracket “Earth” is at the same potential as power source “Earth”.
Supply “Return” and “Earth” ground must be stable, low-impedance reference points.
“2-Terminal Power Supply” must still provide an “Earth” connection to the imager.
“Signal Ground” can be used for communications and/or discrete signal ground
reference. It must not be used as Power Ground or Earth Ground.
MicroHAWK Power Requirements
Refer to this table when determining the power requirements for your camera.
MicroHAWK MV-20 5VDC ± 5%; 350mA at 5VDC (typ.)
MicroHAWK MV-30 5V ± 5%; 600mA at 5VDC (typ.)
MicroHAWK MV-40 4.75V – 30V; 150mA at 24VDC (typ.)

Other manuals for Microscan MicroHAWK MV-20

Related product manuals