EasyManua.ls Logo

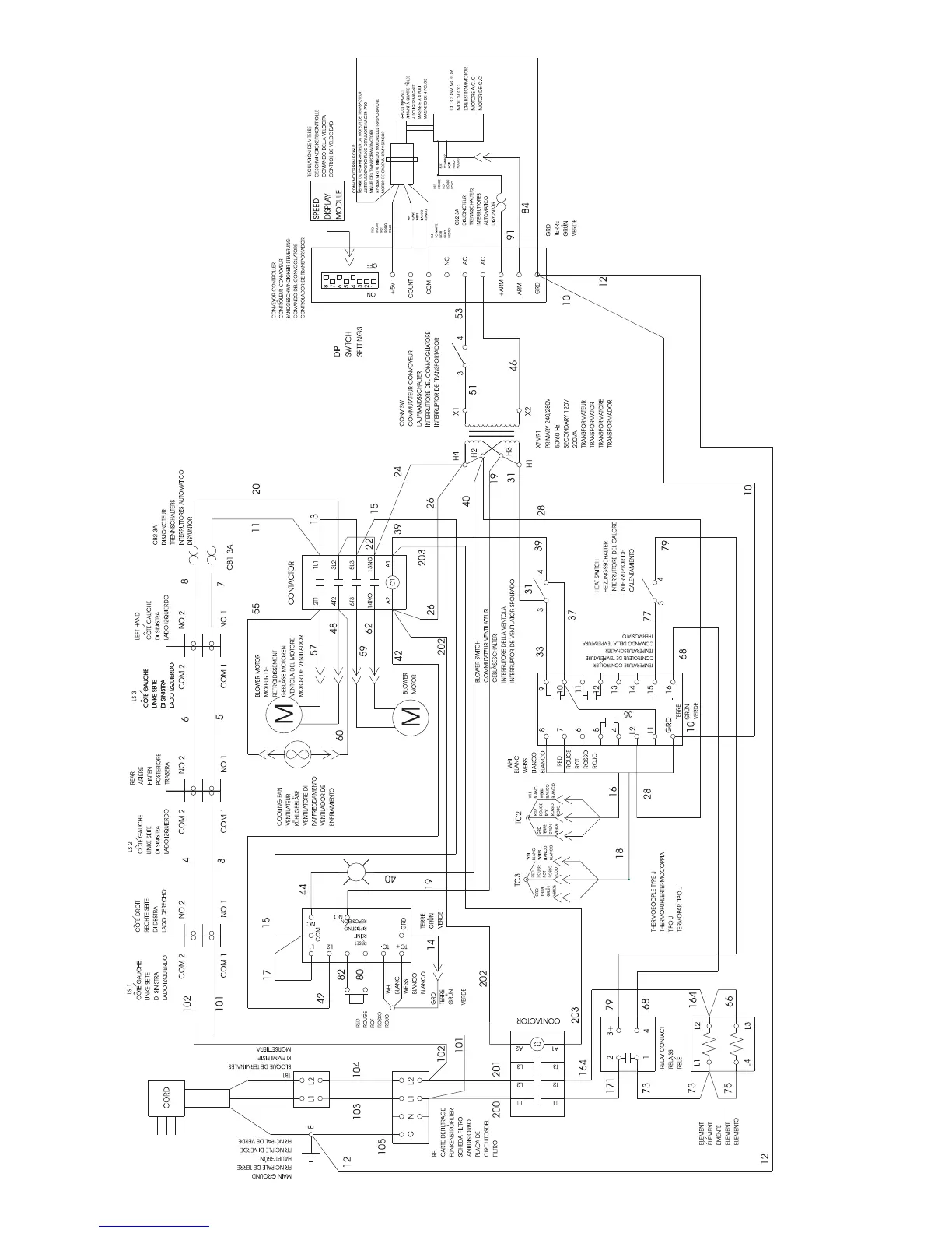
Middleby Marshall PS520E - CE E230-240 V Wiring Diagram Details; CE E230-240 V 1 Ph Schematic Components

Middleby Marshall PS520E
40 pages
Print Icon
To Next Page IconTo Next Page
To Next Page IconTo Next Page
To Previous Page IconTo Previous Page
To Previous Page IconTo Previous Page
Loading...
32
SECTION 6
ELECTRICAL SCHEMATICS
Drawing 52446 Rev K: Wiring Diagram, E230-240V CE, 1Ph

Table of Contents

Related product manuals