EasyManua.ls Logo

Middleby Marshall PS520E - CE E380-400 V 3 Ph Wiring Diagram Details; CE E380-400 V 3 Ph Schematic Components

Middleby Marshall PS520E
40 pages
Print Icon
To Next Page IconTo Next Page
To Next Page IconTo Next Page
To Previous Page IconTo Previous Page
To Previous Page IconTo Previous Page
Loading...
34
SECTION 6
ELECTRICAL SCHEMATICS
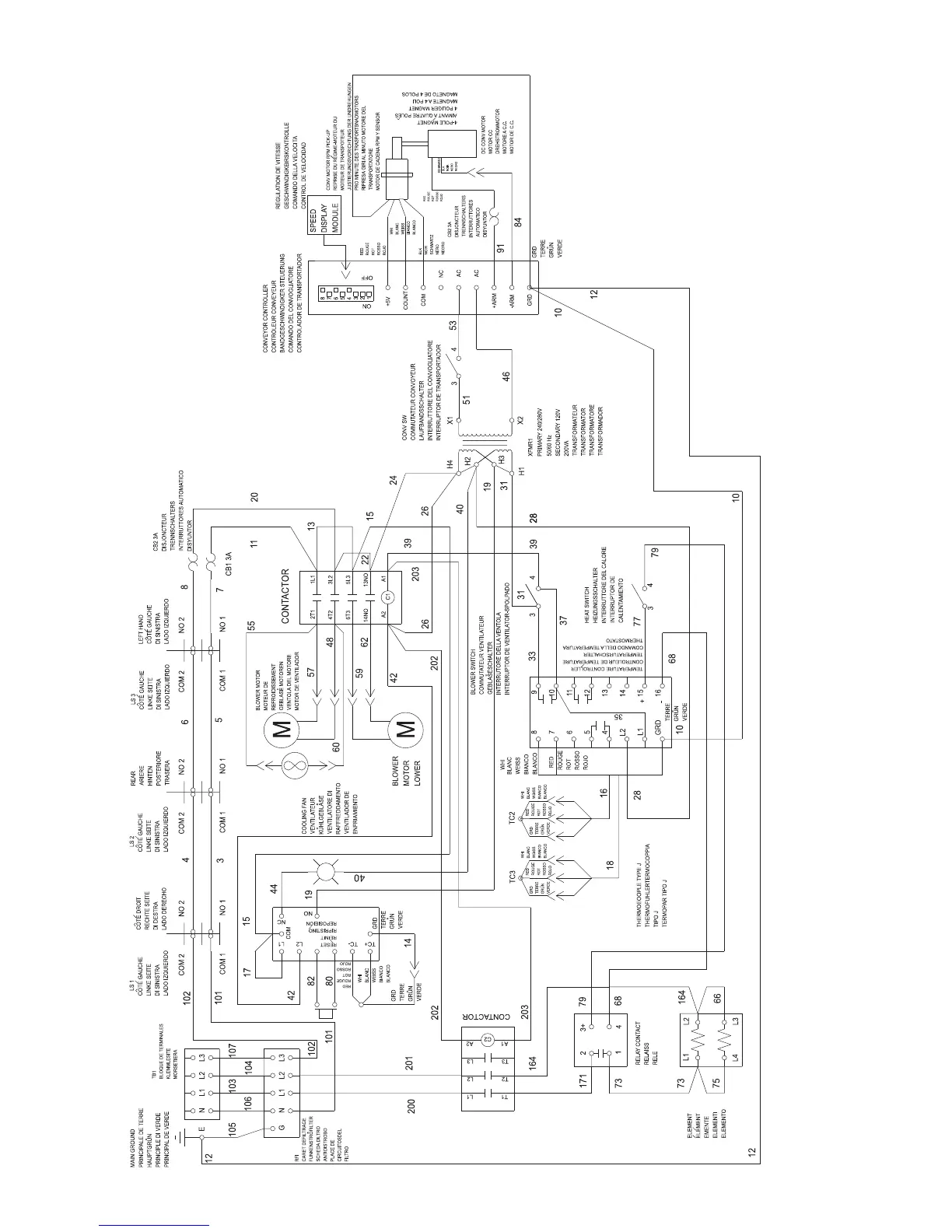
Drawing 58158 Rev F: Wiring Diagram, E380-400V CE, 3Ph

Table of Contents

Related product manuals