EasyManua.ls Logo

Midea MGBT-F250W/RN1 - 3. Refrigeration system drawing

Midea MGBT-F250W/RN1
213 pages
Print Icon
To Next Page IconTo Next Page
To Next Page IconTo Next Page
To Previous Page IconTo Previous Page
To Previous Page IconTo Previous Page
Loading...
Aqua tempo power series tropical air-cooled scroll chiller 50Hz MCAC-ATSM-2014-09
30
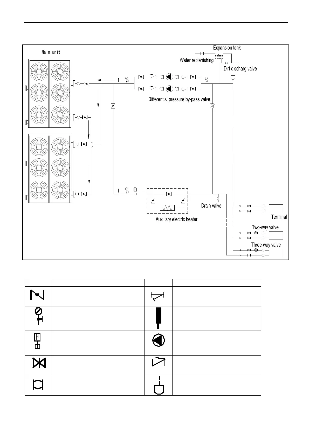
2.5 MGBT-F180W/RN1
The table below describes the symbols.
Symbol
Symbol explanation
Symbol
Symbol explanation
Stop valve
Y-shaped filter
Pressure gauge
Thermometer
Water flow switch
Circulating pump
Gate valve
Check valve
Flexible joint
Automatic discharge valve

Table of Contents

Other manuals for Midea MGBT-F250W/RN1

Related product manuals