EasyManua.ls Logo

Midea MGBT-F250W/RN1 - Mgbt-F180 W;Rn1

Midea MGBT-F250W/RN1
213 pages
Print Icon
To Next Page IconTo Next Page
To Next Page IconTo Next Page
To Previous Page IconTo Previous Page
To Previous Page IconTo Previous Page
Loading...
Aqua tempo power series tropical air-cooled scroll chiller 50Hz MCAC-ATSM-2014-09
40
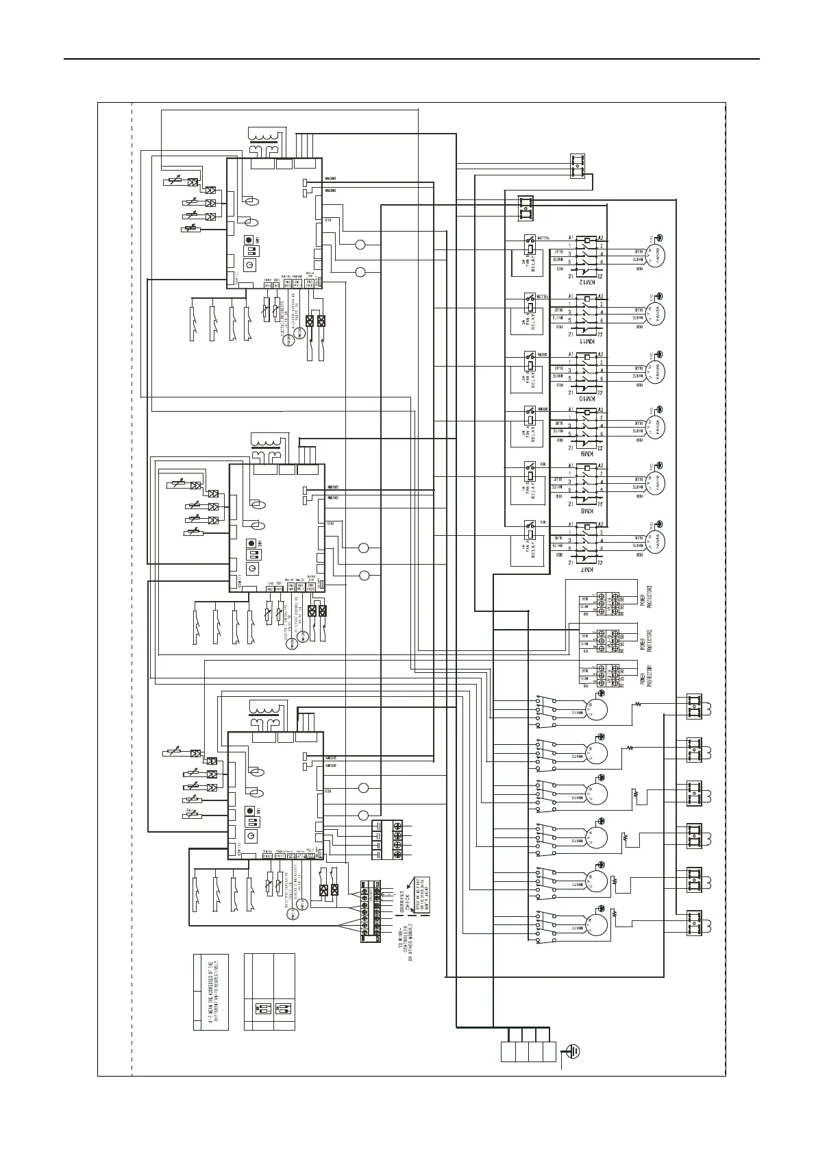
4.5 MGBT-F180W/RN1
Attached Drawing (I) Electric Drawing of Main Unit and
Auxiliary Unit
KM1
A
B
C
A
N
B
C
XT1
KM2
A B
C
KM3
A B
C
KM4
A
B
C
Y/G
XT3
( T 1 )
( T 3 )
( T 2 )
( T 1 )
( T 3 )
( T 2 )
( T 1 )
( T 3 )
( T 2 )
( T 1 )
( T 3 )
( T 2 )
KM5
A
B
C
KM6
A
B
C
( T 1 )
( T 3 )
( T 2 )
( T 1 )
( T 3 )
( T 2 )
H1
H2
P1
P2
XT9
HEATER
PUMP
XP8
XP7
XS8
XS7
T
3
-
1
B
T
3
-
1
A
L_ PR O(1 B2)
H_PRO(1B)
K1(1B)
1 2
ON
XP9
XS9
L_ PR O(1 A2)
H_PRO(1A)
K1(1A)
POWER
TRANS IN
C N 1 1 ( B L A CK)
C O M P ( B ) S . V ( B )
C O M P ( A ) S .V( A )
H&L_PRO
COM(O)
C N6
CN8
C N10
C N12
C N14
C T 1
C U R R E N T (A )
C T 2
C U R R E N T ( B)
TRANS OUT
B LACK
B LUE
WHIT E
R ED
S 1
S 2
T
U
1
CN5
CN19
( WHI T E
C N20
( RED )
CN18
(WHIT E )
S .V(1A )
S .V(1B )
K M2
1 (MAIN)
C N7
C N9
HEAT
PUMP
#
L_ PR O(1 A1 )
L_ PR O(1 B1 )
Q
P
(E)
XP18
XP17
XS18
XS17
T
3
-
3
B
T
3
-
3
A
L_ PR O(3 B2)
H_PRO(3B)
K1(3B)
1 2
ON
XP19
XS19
C HEC K
L_ PR O(3 A2)
H_PRO(3A)
K1(3A)
POWER
TRA NS IN
C O M P ( B ) S . V ( B ) C O M P ( A ) S .V( A )
H&L_PRO
COM(O)
CN6
C N8
C N12
C N14
C T 1
C U R R E N T ( A)
C T 2
C U R R E N T( B )
TRANS OUT
S 1
S 2
T
U
3
C N5
S.V( 3A )
S .V(3B )
K M6
K M5
3 (SLAVE)
C N7
C N9
HEAT
PUMP
#
L_ PRO( 3 A1)
L_ PR O(3 B1)
XP13
XP12
XS13
XS12
T
3
-
2
B
T
3
-
2
A
L_ PR O(2 B2)
H_PRO(2B)
K1(2B)
1 2
ON
XP14
XS14
L_ PR O(2 A2)
H_PRO(2A)
K1(2A)
POWER
TRANS IN
C O M P ( B ) S . V ( B )
C O M P ( A ) S .V( A )
H&L_PRO
COM(O)
C N6
C N8
C N12
C N14
C T 1
C U R R E N T ( A)
C T 2
C U R R E N T ( B)
TRANS OUT
S1
S 2
T
U
2
CN5
K M4
KM3
2 (SLAVE)
CN7
C N9
HEAT
PUMP
#
L_ PR O(2 A1)
L_ PRO( 2 B1)
T B H 2 - 1
T B H 1 - 1
T B H 2 - 2
T B H 1 -2
T B H 2 - 3
T B H 1 - 3
RED
RED
R ED
R ED
T
4
-
1
XP10XS10
T
4
-
2
XP15
XS15
T
4
-
3
XP20
XS20
S 1
16-WA Y DAI L S WITC H F UNCTI O N
1
2
SWI TC H
FUNCTIO N
RESERV E
NORMAL
2-WA Y JUM P S W ITC H F U NCTIO N
DAIL SWITC H
ADDRES S
S 2
( FACTO RY S E TTING )
RED
BLACK
POWER IN
WHITE
BLUE
Heat1A
COMP1A
BLUE
RED
WHITE
BROWN
BLUE
RED
RED
BLACK
BROWN
BROWN
BROWN
Heat1B
Heat2A
Heat2B
Heat3A
Heat3B
BROWN
BLUE
RED
WHITE
RED
BLUE
RED
WHITE
RED
BLUE
RED
WHITE
RED
BLUE
RED
WHITE
RED
BLUE
RED
WHITE
BROWN
BLUE
RED
BROWN
BLUE
RED
BROWN
BLUE
RED
BROWN
BLUE
RED
BROWN
BLUE
RED
COMP1B COMP2A COMP2B COMP3A COMP3B
Y/G Y/G
Y/G Y/G Y/G
M I D D L E
W I R E J OI N T
ORANGE
RED
PURPLE
YELLOW
H I G H P RE S SU R E
P R O T E C TO R 1 B
L O W P R ES S U R E
P R O T E C T O R 1 B 1
L O W P R ESS U R E
P R O T E C T O R 1 A 1
HIGH PRESSURE
PROTECTOR 1A
TEMP PROTECTOR
SWITCH 1A
T E M P P RO T E C TO R
S W I T C H 1 B
L O W P R ES S U R E
P R O T E C T O R 1 B 2
L O W P R ES S UR E
P R O T E C TO R 1 A 2
T O T A L O U T - L E T
W A T E R T E M P .
A N T I - F RE E Z IN G
T E M P . S EN S O R 1
I N - L E T W A T E R
T E M P . S EN S O R 1
U N I T O U T - L ET
W A T E R T E M P . 1
RED
BLACK
WHITE
OUTDOOR
TEMP.1
CONDENSER
TEMP.1B
CONDENSER
TEMP.1A
CHEC K
TRANS 1
BLUE
B LUE
Y ELLO W
Y ELLO W
BLUE
EFF EC T O N NO .0 MODU L E)
(ON /OF F SIGN AL)
LOW VOLTAGE SIGNAL
DON'T CONNECT HIGH VOLTAGE!
GRAY
BLUE
GRAY
BLACK
YELLOW
TRANS 2
CN19
(WHI T E
CN20
(RED )
C N18
( WHIT E )
B LACK
B LUE
W HITE
R ED
R ED
R ED
U N I T O U T - L E T
W A T E R T E M P . 2
WHITE
OUTDOOR
TEMP.2
CONDENSER
TEMP.2B
CONDENSER
TEMP.2A
RED
BLACK
C HECK
ORANGE
RED
PURPLE
YELLOW
H I G H P RE S S U RE
P R O T E C T O R 2 B
L O W P R ES S U R E
P R O T E C T O R 2 B 1
L O W P R ES S U R E
P R O T E C TO R 2 A 1
H I G H P RE S S U RE
P R O T E CT O R 2A
TE MP PR OTECT OR
SW IT CH 2A
TE MP PR OTECTOR
SW ITC H 2B
L O W P R ES S U R E
P R O T E C T O R 2 B 2
L O W P R ES S U R E
P R O T E C T O R 2 A 2
A N T I - F R E EZ IN G
T E M P . S E N SO R 2
I N - L E T W A T E R
T E M P . S EN S O R 2
C N 1 5 ( WH I TE )
C N 1 1 ( B L A CK)
BLUE
O R A N G E
TRANS 3
C N19
(WHI T E
C N20
( RED)
CN18
( WHIT E )
B LAC K
B LUE
W HITE
R ED
U N I T O U T - L E T
W A T E R T E M P . 3
WHITE
OUTDOOR
TEMP.3
CONDENSER
TEMP.3B
CONDENSER
TEMP.3A
RED
BLACK
ORANGE
RED
PURPLE
YELLOW
H I G H P RE S S U RE
P R O T E C T O R 3 B
L O W P R ES S U R E
P R O T E C T O R 3 B 1
L O W P R ES S U RE
P R O T E C T OR 3 A 1
H I G H P RE S S U RE
P R O T E C T O R 3 A
TE MP PR OTECT OR
SW IT CH 3A
TE MP PR OTECTOR
SW IT CH 3B
L O W P R ES S U R E
P R O T E C TO R 3 B 2
L O W P R ES S U R E
P R O T E C T O R 3 A 2
A N T I - F R E EZ IN G
T E M P . S E N SO R 3
I N - L E T W A T E R
T E M P . S E N SO R 3
C N 1 5 ( W HI TE)
C N 1 1 ( B LA CK )
BLUE
O R A N G E
S .V(2A )
S .V(2B )
Y&G
WHI TE
BLA CK
K M1
C N 1 5 ( W H I TE)
F A N _ LF A N _ H
O RANG E
W HITE
7 - WAY
T E RMI NAL
X T 8
W1 W2
Q
P
(E)
XT4
M I D D L E
W I R E J OI N T
XT5
M I D D L E
W I R E J OI N T
XT6
M I D D L E
W I R E J OI N T
XT11
M I D D L E
W I R E J OI N T
XT2
M I D D L E
W I R E J OI N T
XT7
M I D D L E
W I R E J OI N T
BROWN
RED
FAN3A PRO
FAN1A PRO
FAN2A PRO
PURPLE
P U R P L E
P U R P L E
RED
RED
BLUE
M I D D L E
W I R E J O I N T
XT10
OUTDOOR WIRING DIAGRAM
FAN3B PRO
FAN2B PRO
FAN1B PRO
BROWN
BLUE
BLUE
PURPLE
BLUE
PURPLE
PURPLE
BLACK
BLACKBLACKBLACKBLACKBLACK
F A N _ LF A N _ H F A N _ LF A N _ H
BLA CK
3# FAN_L
1# FAN_H
1# FAN_L
2# FAN_H
2# FAN_L
3# FAN_H
BROWN
BLA CK
BLA CK
BLACK
RED
GRAY
RED
W1
C ONNE C T NEXT M ODU LE
W2
RED
RED/BLUE
RED/BLUE
T O T IMER

Table of Contents

Other manuals for Midea MGBT-F250W/RN1

Related product manuals