EasyManua.ls Logo

Midea MLCAC-UTSM-2010-10 - Wiring Diagrams

Midea MLCAC-UTSM-2010-10
95 pages
Print Icon
To Next Page IconTo Next Page
To Next Page IconTo Next Page
To Previous Page IconTo Previous Page
To Previous Page IconTo Previous Page
Loading...
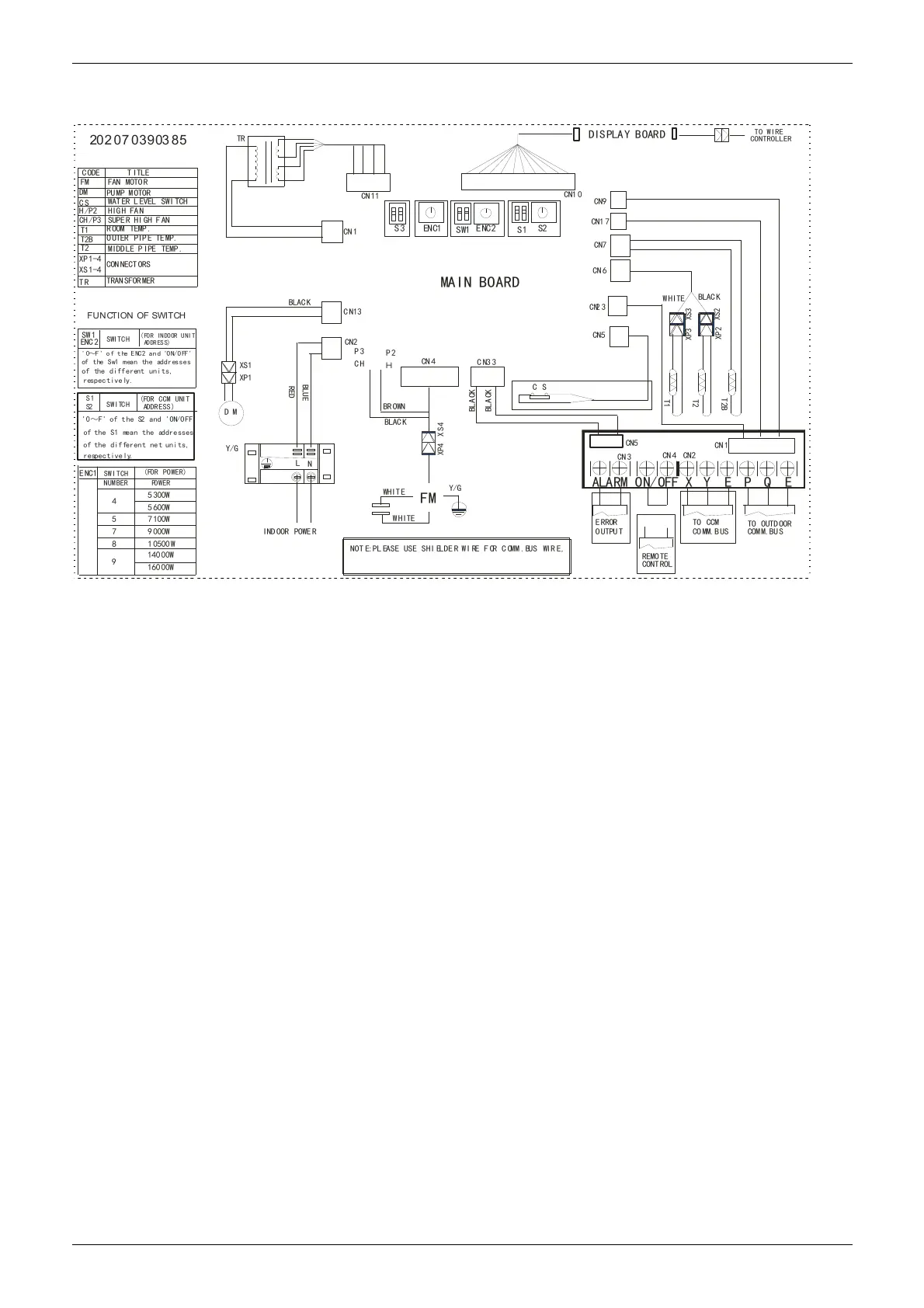
Wiring Diagrams MLCAC-UTSM-2010-10
24 Duct Type
4. Wiring Diagrams
MTB-36HWDN1 MTB-48HWDN1
CN 1
C N13
CN2
CN 4
CN5
CN7
CN 6
CN1 7
CN 11
D M
BR OWN
FM
MAIN BOARD
WHITE
XS1
XP1
BLAC K
ENC 2
IND OOR POWE R
P2
DIS PLA Y B OARD
TR
CN1 0
RED
T2B
CON NECT ORS
XS 1-4
XP 1-4
T2
PU MP M OTOR
TRANSFORMER
FM
CS
TR
DM
WATER L EVEL SWI TCH
CODE
FAN MOTOR
T ITLE
T1
C S
T2B
T2
XP3 XS3
XS2
XP2
W HITE
BLAC K
R OOM TEMP .
T1
MIDDLE PIPE TEMP.
O UTER PIP E TE MP.
Y/G
N
L
NOT E:PL EASE USE SHI ELDE R WI RE F OR C OMM .BUS WIR E,
202 07 0390385
P3
BLAC K
CH
H/P2
CH /P3
HIGH FAN
SUPER HIGH FAN
9
8
7
5
140 00W
10500W
9000W
7100W
ENC1
4
5600W
5300W
CN9
TO OUTD OOR
COM M.BU S
TO CCM
CO MM.B US
S2
S1
S1
S2
CN 1
XY
EPQ
EALARM
BLA CK
BLA CK
23CN
33CN
BLUE
ENC2
SW1
ENC1
S3
160 00W
XP4 X S4
SW 1
WHIT E
SWITCH
of the different units,
respectively.
(FOR INDOOR UNIT
ADDRESS)
' 0F ' o f t he E NC 2 a n d 'O N/ O FF '
of t he S w1 m ea n th e ad d r es s e s
NUMBER
SWITCH
(FOR POWER)
PO W E R
SWITCH
of the different net units,
respectively.
(FOR CCM UNIT
ADDRESS)
'0F' of the S2 and 'ON/OFF'
of the S1 mean the addresses
FUNCTION OF SWITCH
ON/OFF
Y/G
REMOTE
CONTROL
E RROR
O UTPU T
CN2CN 4
CN 3
CN5
TO WIRE
CONTROLLER

Related product manuals