EasyManua.ls Logo

Midea MLCAC-UTSM-2010-10 - Page 54

Midea MLCAC-UTSM-2010-10
95 pages
Print Icon
To Next Page IconTo Next Page
To Next Page IconTo Next Page
To Previous Page IconTo Previous Page
To Previous Page IconTo Previous Page
Loading...
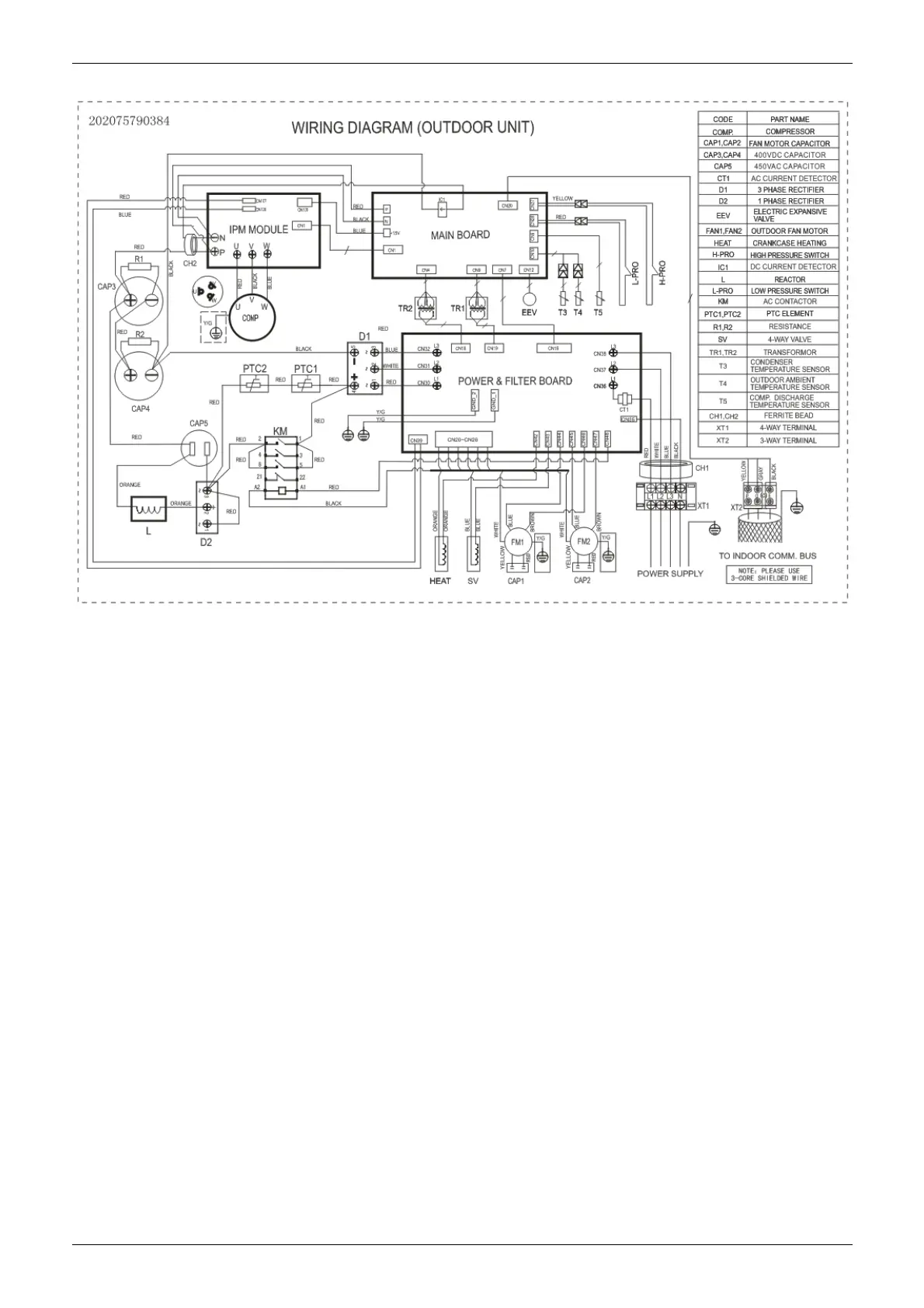
Wiring Diagrams MLCAC-UTSM-2010-10
72 Outdoor Units
MOUB-48HDN1-R

Related product manuals