EasyManua.ls Logo

Midea MTB1T-96CWN1 - Wiring Diagrams

Midea MTB1T-96CWN1
111 pages
Print Icon
To Next Page IconTo Next Page
To Next Page IconTo Next Page
To Previous Page IconTo Previous Page
To Previous Page IconTo Previous Page
Loading...
MCAC-UTSM-201707 Midea R410A T3 50Hz Top-discharge Series
32
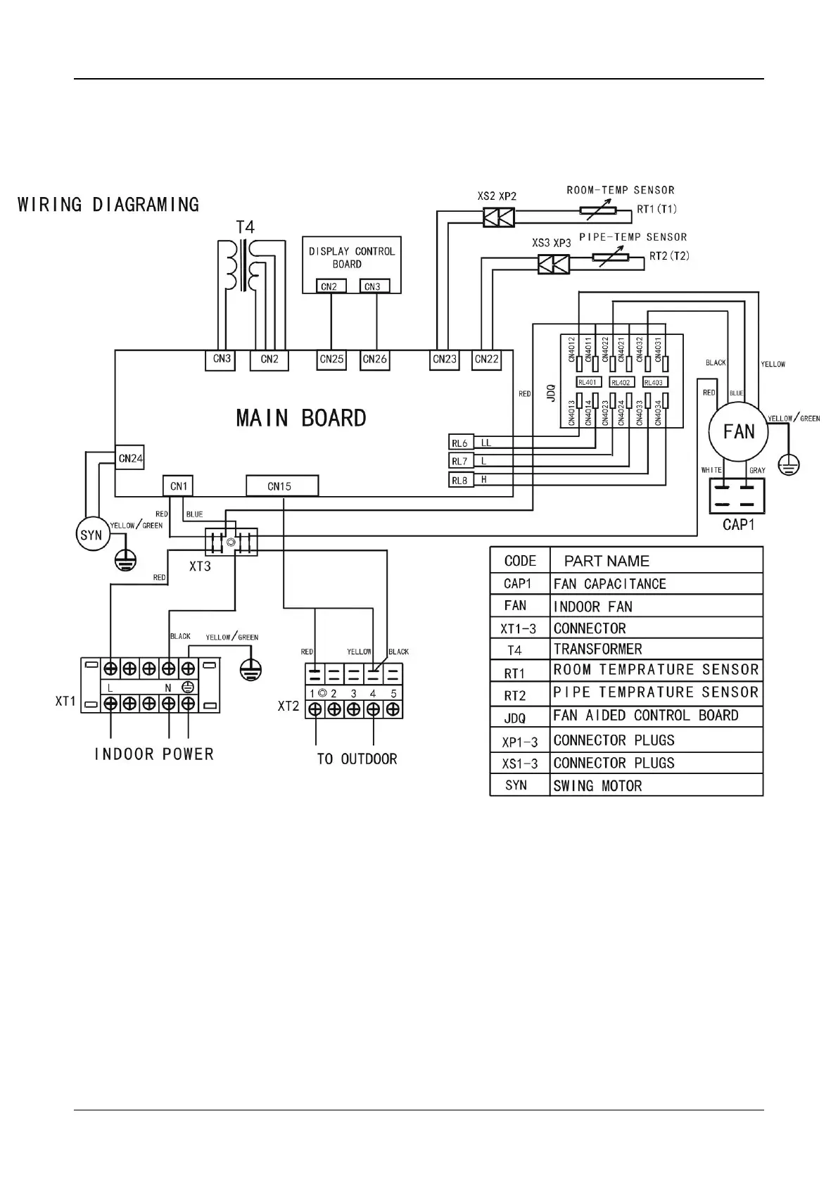
6. Wiring Diagrams
MFA3T-96CRN1

Related product manuals