EasyManua.ls Logo

Midea MTB1T-96CWN1 - Wiring Diagrams

Midea MTB1T-96CWN1
111 pages
Print Icon
To Next Page IconTo Next Page
To Next Page IconTo Next Page
To Previous Page IconTo Previous Page
To Previous Page IconTo Previous Page
Loading...
Midea R410A T3 50Hz Top-discharge Series MCAC-UTSM-201707
45
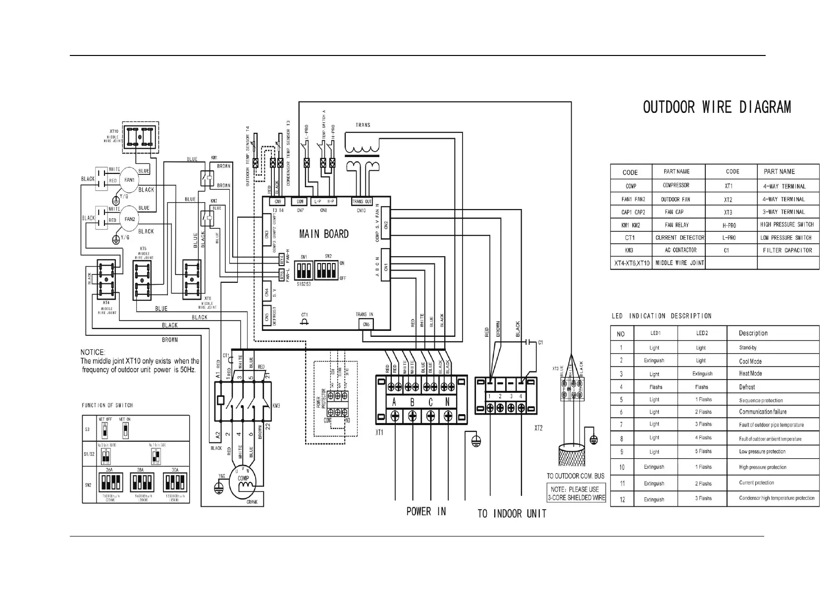
4. Wiring Diagrams
MOVTA-96CN1-R:

Related product manuals