EasyManua.ls Logo

Miller Syncrowave 180 SD - SECTION 5 - ELECTRICAL DIAGRAM

Miller Syncrowave 180 SD
44 pages
Print Icon
To Next Page IconTo Next Page
To Next Page IconTo Next Page
To Previous Page IconTo Previous Page
To Previous Page IconTo Previous Page
Loading...
OM-355 Page 19
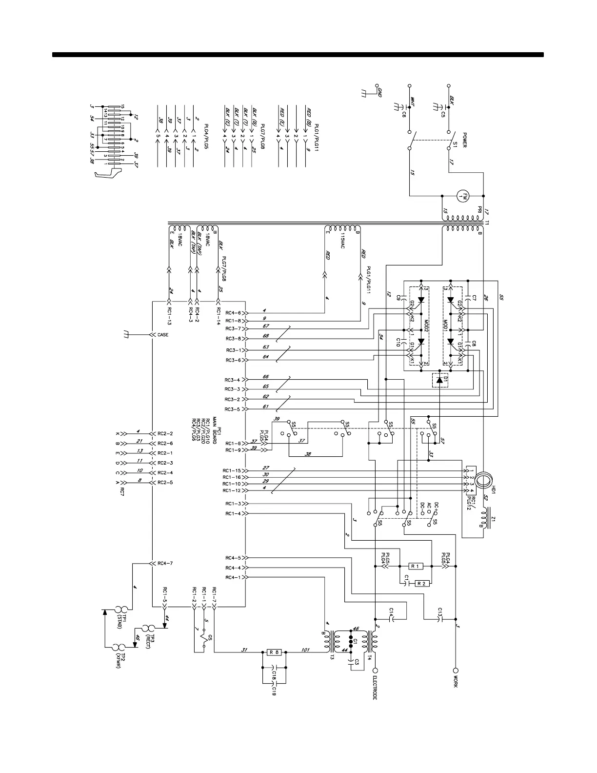
SECTION 5 ELECTRICAL DIAGRAM
SD-188 274-D
Figure 5-1. Circuit Diagram For Welding Power Source

Table of Contents

Related product manuals