EasyManua.ls Logo

Minuteman 200X - Base Assembly - Deluxe

Minuteman 200X
30 pages
Print Icon
To Next Page IconTo Next Page
To Next Page IconTo Next Page
To Previous Page IconTo Previous Page
To Previous Page IconTo Previous Page
Loading...
9
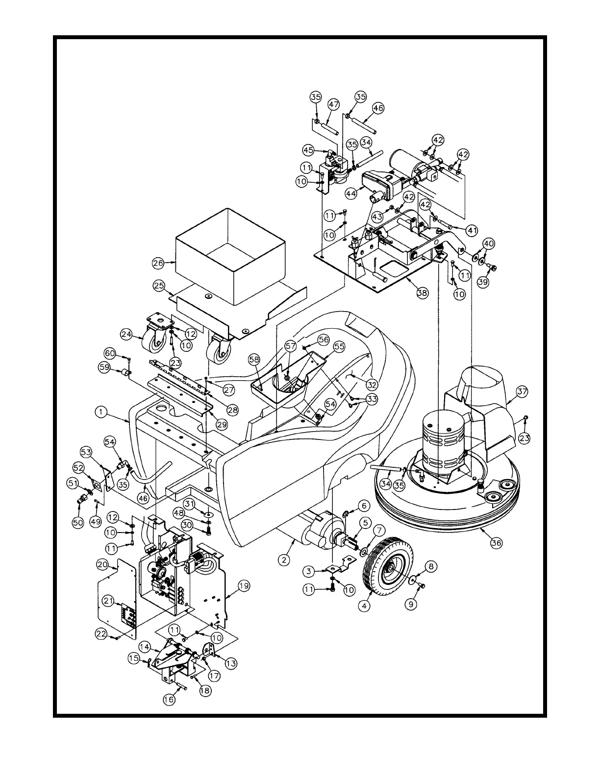
BASE ASSEMBLY - DELUXE

Related product manuals