EasyManua.ls Logo

MiTAC 7521 PLUS/N - Page 106

MiTAC 7521 PLUS/N
180 pages
Print Icon
To Next Page IconTo Next Page
To Next Page IconTo Next Page
To Previous Page IconTo Previous Page
To Previous Page IconTo Previous Page
Loading...
105
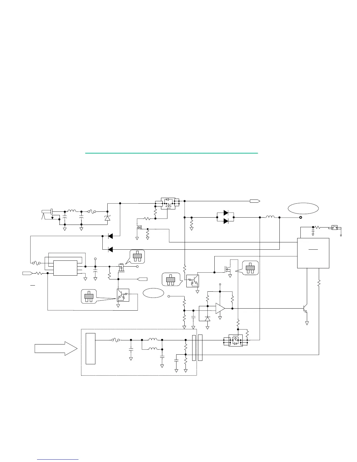
7521
7521
Plus / N N/B MAINTENANCE
Plus / N N/B MAINTENANCE
Symptom:
Symptom:
When the power button is pressed, nothing happens, no fan activi
When the power button is pressed, nothing happens, no fan activi
ty is heard and power indicator is not light up
ty is heard and power indicator is not light up
.
.
8.1 NO POWER:
D/VMAIN
PF501
6.5A/32VDC
U14
H8/3434F
ADINP
PJ501
PC509
0.1U
PD501
RLZ24D
PD4
EC31QS04
PL3
120Z/100M
PQ6
DTC144WK
2
3
1
PQ12
2N7002
G
D
S
3
12
D
SG
IN 5VTAP
SENSE OUT
F/B ERR-
SHUTDN GND
PWR_VDDIN
VDD5
S
G
D
VDD5_SW#
F2
R199
U32
LP2951-02BM
8
2
7
3
6
1
5
4
X
C247
10U
Q22
Q23
DTC144WK
3
2
1
D
SG
3
12
ADEN#_P
BATT
1
4
5
6
7
8
2
3
PJ4
6
PF3
6.5A/32VDC
PR2
301K
PC5
0.1U
50V
PR1
100K
PU9
SI4435DY
PR23
33K
PR21
100K
BAT_V
BATTERY IN
RP7
38
BAT_V
POWER IN
PL501
120Z/100M
D
S
G
LEARNING
PR13
1M
PQ5
2N7002
PR14
120K
G
4
6
7
8
2
3
S
D
1
5
PR15
470K
PR19
715K
PR18
100K
+
-
PC6
0.1U
PL1
120Z/100M
PL2
120Z/100M
PC1
0.01U
PC18
0.1U
PQ8
PR13
10K
PR7
100K
VDD5S_P
Q509
BATT_ALARM
PU2
SI4835DY
PC2
0.1U
PR9
4.7K
PD3
EC31QS04
PD1
EC10QS041M
PD2
EC10QS041M
D/VMAIN
1.25V
PU2B
J514
CHARGE B’D
POWERBTN#
SW2
POWER BUTTON
R575
C588
R195
100K
J1
47
BAT_V
BATT
PR16
226K
+S5V
VDD5_SW
FROM H8
0

Related product manuals