EasyManua.ls Logo

Mitsubishi Electric A173UHCPU - Page 129

Mitsubishi Electric A173UHCPU
389 pages
To Next Page IconTo Next Page
To Next Page IconTo Next Page
To Previous Page IconTo Previous Page
To Previous Page IconTo Previous Page
Loading...
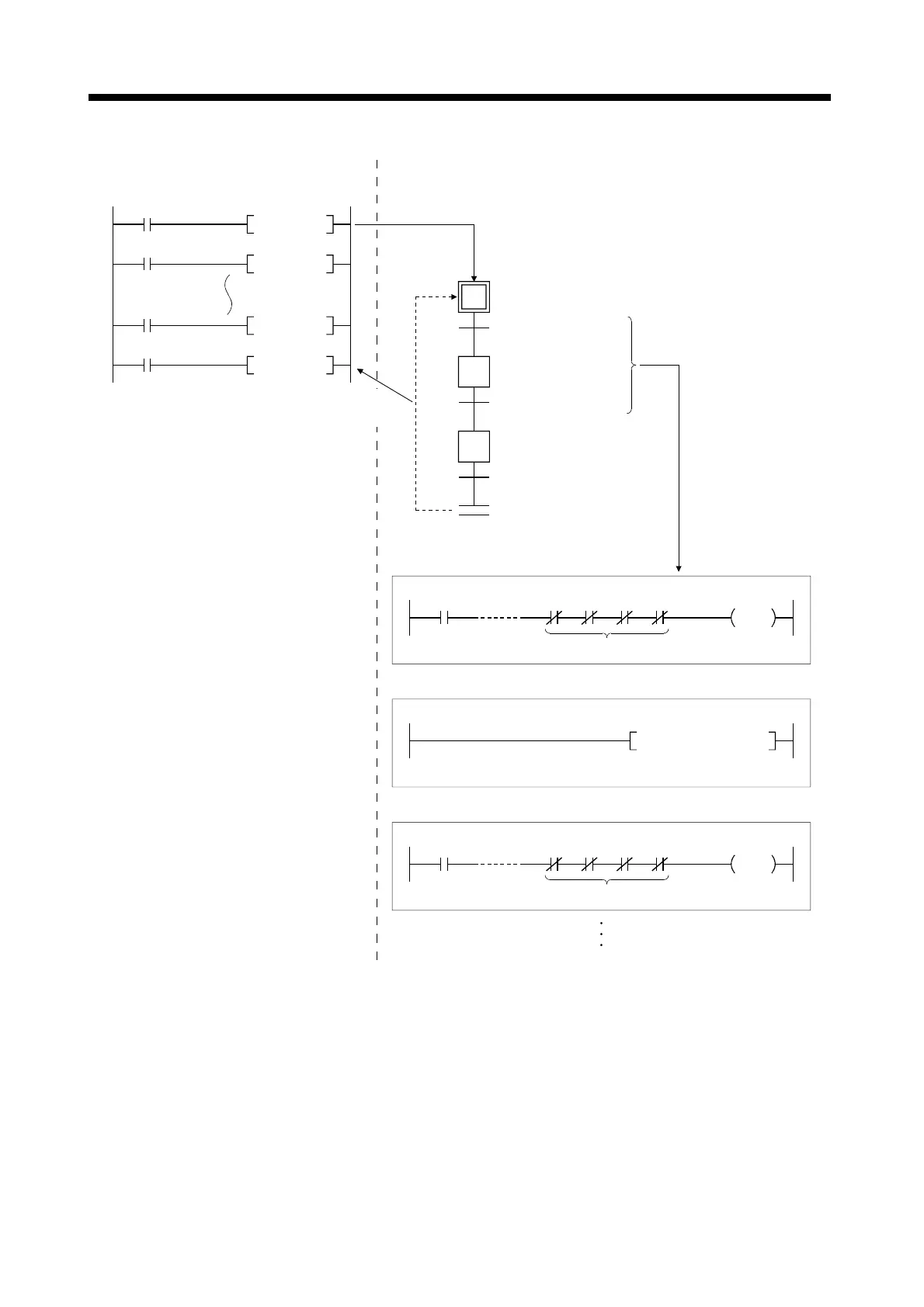
5. SEQUENCE PROGRAMS AND SFC PROGRAMS
5 19
(2) When a servo program start instruction is input inside a normal step (")
Start command
M0
PLS M0
SET
M9101
Stop command
M1
PLS M1
SET M9101
Initial step
Switching condition 1
Step 1
(creation of servo
program start instruction)
Switching condition 2
Step 2
End step
M9101 ON
<Main sequence program> <SFC program>
<Switching conditions and operation output>
Switching condition 1
M2001M2002M2003M2004
Tran
Interlock
Step 1 (servo program start request instruction)
Switching condition 2
M2001M2002M2003M2004
Tran
Interlock
SVST 10J1J2J3J4
K
M9101
OFF
(When a normal
step is used)
Repetition

Table of Contents

Other manuals for Mitsubishi Electric A173UHCPU

Related product manuals