EasyManua.ls Logo

Mitsubishi MR-J4-200A - Page 417

Mitsubishi MR-J4-200A
640 pages
Print Icon
To Next Page IconTo Next Page
To Next Page IconTo Next Page
To Previous Page IconTo Previous Page
To Previous Page IconTo Previous Page
Loading...
11. OPTIONS AND AUXILIARY EQUIPMENT
11 - 86
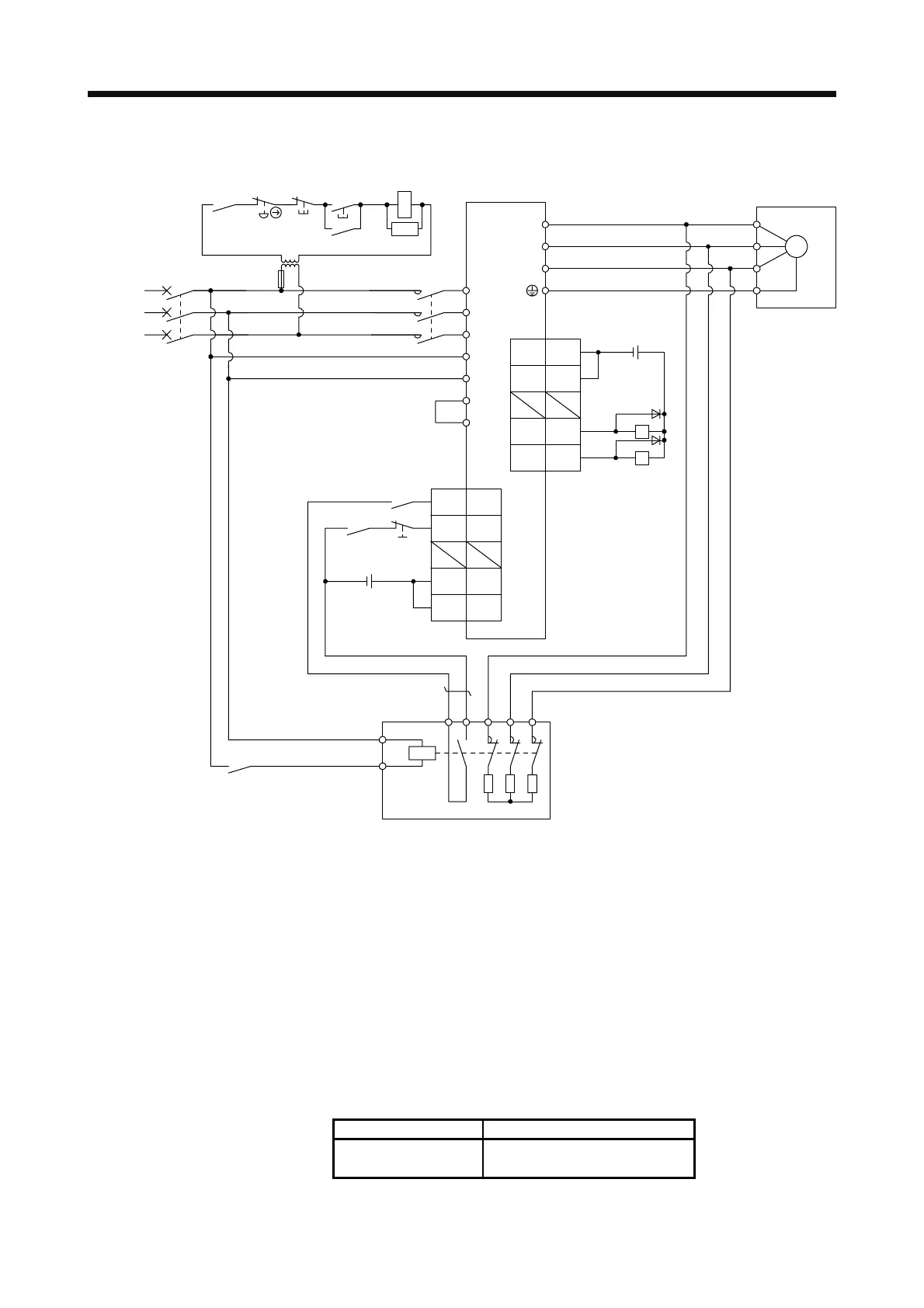
(b) 400 V class
UV
46
DOCOM
(Note 3)
MC
1314 W
External dynamic brake
a
b
RA2
L11
L21
Servo amplifier
L3
L2
L1
Power
supply
U
V
W
U
V
W
E
M
Servo motor
Operation read
y
CN1
MCCB
MC
ALM
RA1
OFF ON
MC
Emergency
stop switch
Dynamic brake
interlock
SK
(Note 2)
(Note 1) DB
48 ALM
47
DOCOM
24 V DC (Note 5)
RA1
RA2
24 V DC
(Note 5)
(Note 4)
Main circuit
power supply
15SON
42
20
21
EM2
CN1
DICOM
DICOM
P3
P4
(Note 6)
(Note 8)
(Note 7) Step-down
transformer
Note 1. Assign DB (Dynamic brake interlock) in [Pr. PD23] to [Pr. PD26] and [Pr. PD28].
2. For power supply specifications, refer to section 1.3.
3. Depending on the main circuit voltage and operation pattern, bus voltage decreases, and that may cause the forced stop
deceleration to shift to the dynamic brake deceleration. When dynamic brake deceleration is not required, slow the time to
turn off the magnetic contactor.
4. Turn off EM2 when the main power circuit power supply is off.
5. The illustration of the 24 V DC power supply is divided between input signal and output signal for convenience. However, they
can be configured by one.
6. Between P3 and P4 is connected by default. When using the power factor improving DC reactor, remove the short bar
between P3 and P4. Refer to section 11.11 for details. Additionally, a power factor improving DC reactor and power factor
improving AC reactor cannot be used simultaneously.
7. Stepdown transformer is required when the coil voltage of the magnetic contactor is 200 V class.
8. The power supply voltage of the inside magnet contactor for 400 V class external dynamic brake DBU-11K-4 and DBU-22K-4
is restricted as follows. When using these external dynamic brakes, use them within the range of the power supply.
External dynamic brake Power supply voltage
DBU-11K-4
DBU-22K-4
1-phase 380 V AC to 463 V AC, 50
Hz/60 Hz

Table of Contents

Related product manuals