EasyManua.ls Logo

Mitsubishi MR-J4-200A - Configuration Including Peripheral Equipment

Mitsubishi MR-J4-200A
640 pages
Print Icon
To Next Page IconTo Next Page
To Next Page IconTo Next Page
To Previous Page IconTo Previous Page
To Previous Page IconTo Previous Page
Loading...
1. FUNCTIONS AND CONFIGURATION
1 - 31
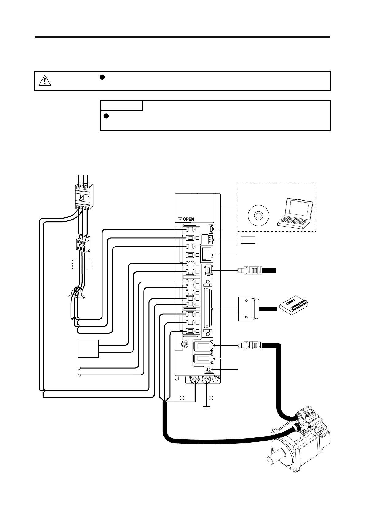
1.8 Configuration including peripheral equipment
CAUTION
Connecting a servo motor of the wrong axis to U, V, W, or CN2 of the servo
amplifier may cause a malfunction.
POINT
Equipment other than the servo amplifier and servo motor are optional or
recommended products.
(1) 200 V class
(a) MR-J4-200A(-RJ) or less
The diagram shows MR-J4-20A-RJ.
CN4
CN5
P+
C
L11
L21
P3
P4
MR Configurator2
CN3
CN6
CN8
CN1
CN2
W
V
U
L1
L2
L3
RS T
CN2L (Note 4)
Line noise
filter
(FR-BSF01)
Regenerative
option
Servo motor
Personal
computer
(Note 3)
Magnetic
contactor
(MC)
Power factor
improving DC
reactor
(FR-HEL)
Molded-case
circuit breaker
(MCCB)
To safety relay or
MR-J3-D05 safety
logic unit
Junction terminal block
(Note 2)
Power
supply
Battery
Personal computer and other
(Note 1)
Analog monitor

Table of Contents

Related product manuals