EasyManua.ls Logo

MK MK-2000 - Page 32

MK MK-2000
48 pages
Print Icon
To Next Page IconTo Next Page
To Next Page IconTo Next Page
To Previous Page IconTo Previous Page
To Previous Page IconTo Previous Page
Loading...
32
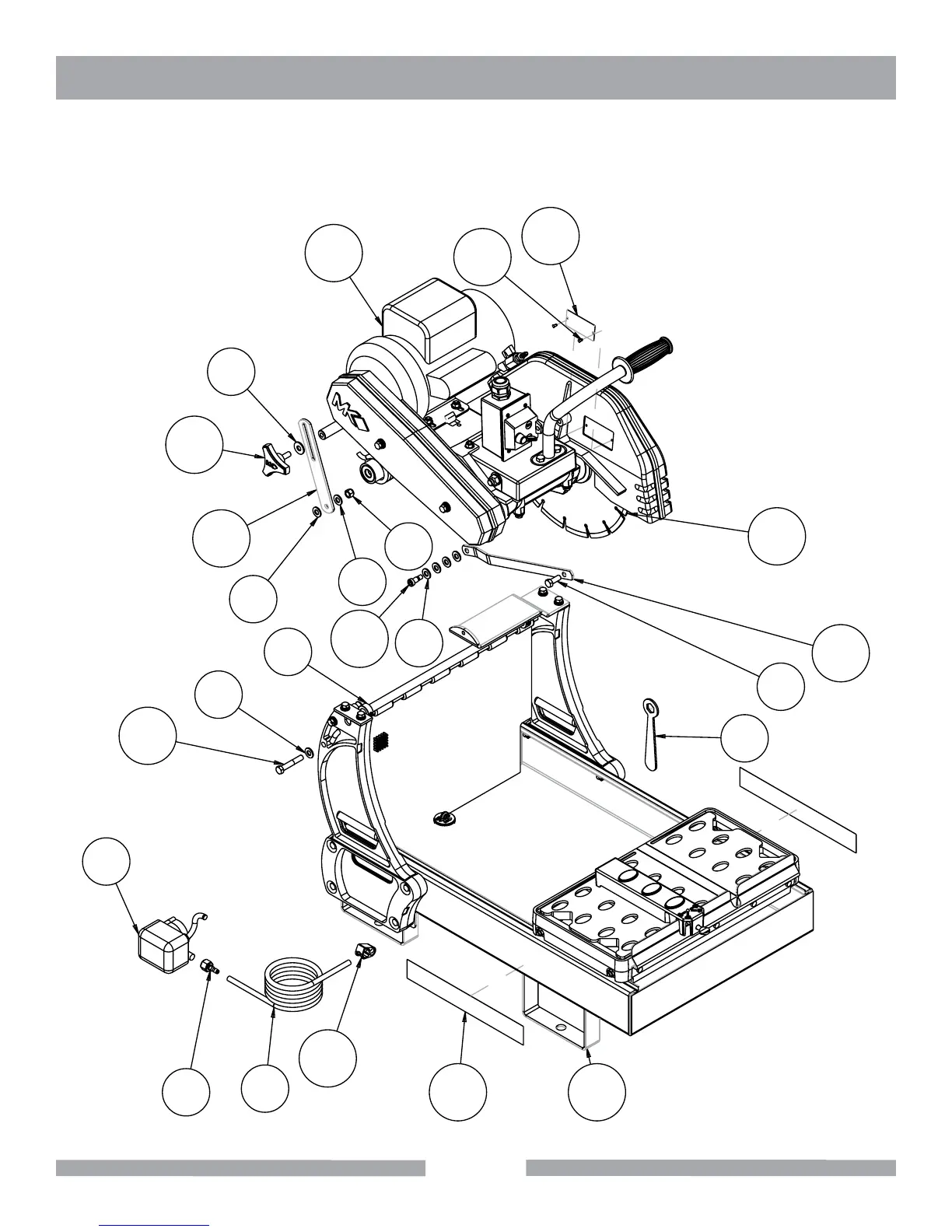
MK-2000 ELECTRIC SAW EXPLODED VIEW
18
1
2
3
4
5
6
7
8
9
10
11
12
13
14
15
16
19
20
22
6
6
6
21
MK-2002 Saw Assembly Part # 150598

Related product manuals