EasyManua.ls Logo

Moretti Design AQUA - Plumbing Configuration Options; Configuration 0: Standard Setting

Moretti Design AQUA
32 pages
Print Icon
To Next Page IconTo Next Page
To Next Page IconTo Next Page
To Previous Page IconTo Previous Page
To Previous Page IconTo Previous Page
Loading...
23
PLUMBING CONFIGURATION
It is possible to integrate the hydro stove to one of the following hydraulic system configurations considered most suitable. To set the configuration, an
authorized technician must be contacted.
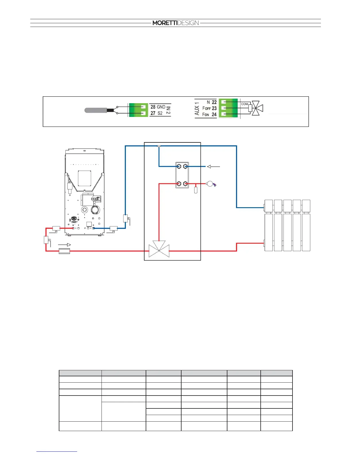
CONFIGURATION 0
The configuration show in the figure is set. This is the standard setting.
If the domestic hot water kit is installed, it is not necessary to change the setting on the hydro stove.
Connections on the control unit
Connections on the heating system (the following figure is only illustrative)
The system includes: the hydro stove Boiler Probe (S1), the hydro stove Pump (P1), Electrovalve of the kit (P2), Flow Switch of the kit (FL).
Set parameters on the hydro stove
T18 = 5°C, T19 = 53°C, T20 = 50°C, T21 = 80°C
Heating
The Pump (P1) activates above the thermostat T20.
In Summer mode and working on Pellet, the Pump (P1) is activated when the water temperature exceeds the value of the thermostat T21.
To prevent the water in the system from freezing, the Pump (P1) is activated when the water temperature drops below the thermostat T18.
If the water temperature exceeds the value of the thermostat T21, for safety reasons the Pump (P1) remains always active.
Recirculation
When there is a demand for domestic hot water and the water temperature in the hydro stove exceeds the value of the thermostat T19 or the
thermostat T20, the Valve (P2) is active.
If the water temperature exceeds the value of the thermostat T21, the Valve (P2) switches towards the heating system.
System function:
TEMP. PROBE (S1) FLOW SWITCH (FL) MODE FUEL VALVE (P2) PUMP (P1)
T < 5°C
OFF
ON
5°C < T < 50°C
OFF OFF
50°C < T < 53°C
ON ON
50°C < T < 80°C
closed
ON ON
Wood OFF
ON
Winter Pellet
OFF
ON
Summer Pellet
OFF OFF
T > 80 °C
OFF
ON
open
non return
valve
P1
S1
sphere
valve
P2
FL
heat
exchanger
hydro stove
cold water 1/2
hydro stove
hot water 1/2”
All components
enclosed in the
frame are included
in the domestic hot
water kit, which is
installed inside the
hydro stove
heating system
Electrovalve (P2)
Flow Switch (FL)
23: towards heating system 24: towards domestic hot water
sphere
valve
sphere
valve
sphere
valve

Related product manuals