EasyManua.ls Logo

Moretti Design AQUA - Configuration 2

Moretti Design AQUA
32 pages
Print Icon
To Next Page IconTo Next Page
To Next Page IconTo Next Page
To Previous Page IconTo Previous Page
To Previous Page IconTo Previous Page
Loading...
25
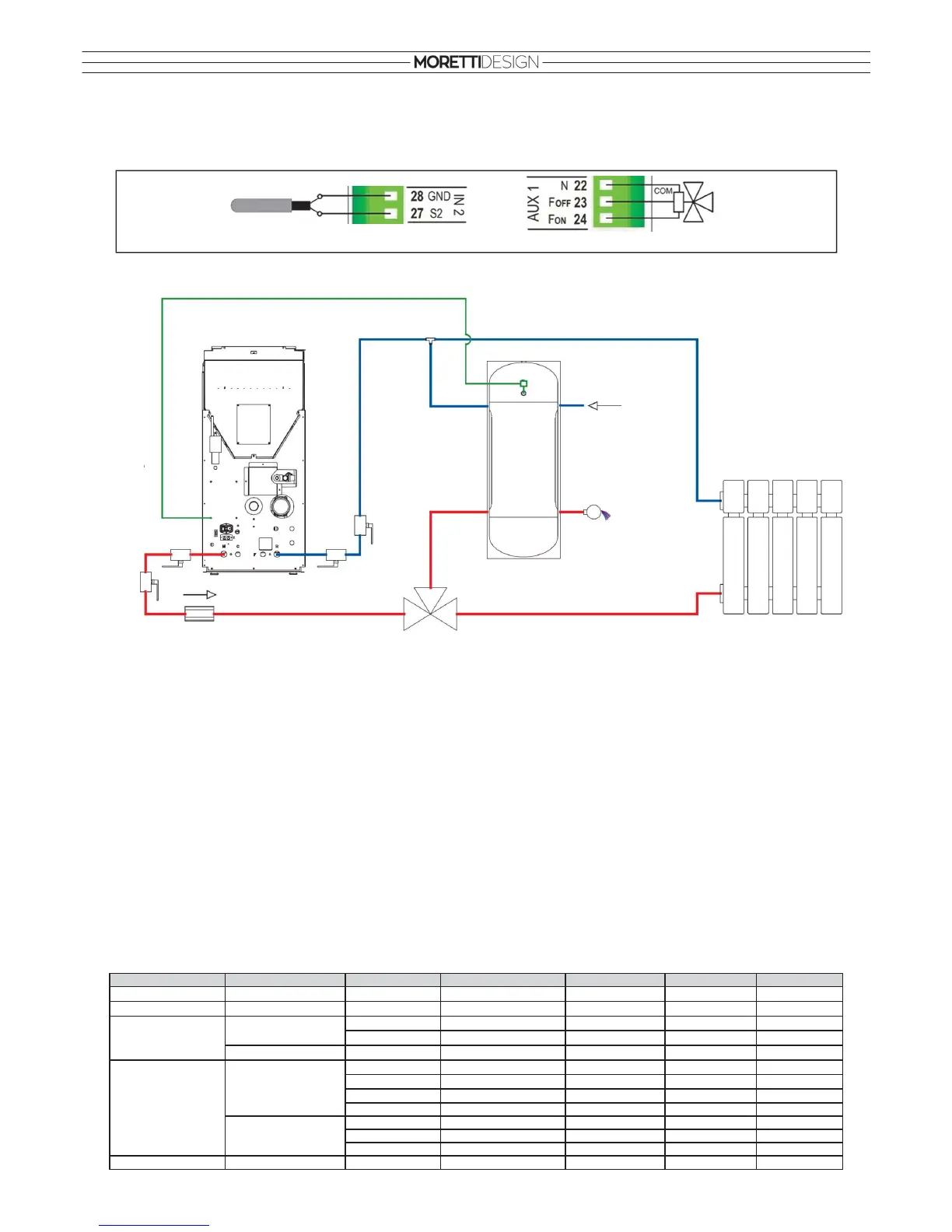
CONFIGURATION 2
The configuration shown in the figure is set.
Connections on the control unit
Connections on the heating system (the following schematic is only illustrative)
The system includes: the hydro stove Boiler Probe (S1), the hydro stove Pump (P1), Valve (P2), Boiler/Puffer Probe (S2).
Set parameters on the hydro stove
T18 = 5°C, T19 = 53°C, T20 = 50°C, T21 = 80°C, T37 = 5°C, T38 = 60°C
Heating
The Pump (P1) activates if the water temperature in the hydro stove exceeds the value of the thermostat T20 and the boiler temperature does not
exceed the value of the Boiler Thermostat T38 and the difference of the temperatures read by the S1 and S2 probes is greater than the thermostat T37.
The Pump (P1) also activates when the water temperature in the hydro stove exceeds the thermostat T19.
In Summer mode and working on Pellet, the Pump (P1) is activated if the water temperature exceeds the value of the thermostat T21.
To prevent the water in the system from freezing, the Pump (P1) is activated when the water temperature drops below the thermostat T18.
If the water temperature exceeds the value of the thermostat T21, for safety reasons the Pump (P1) remains always active.
Domestic Water
The Valve (P2) is turned towards the Boiler if the water temperature in the oiler does not exceed the value of the thermostat T38 and the water
temperature in the hydro stove exceeds the value of the thermostat T20.
For safety reasons, if the water temperature in the hydro stove exceeds the value of the thermostat T21, the Valve (P2) switches towards the heating system.
System function:
TEMP. PROBE (S1) TEMP. PROBE (S2) MODE FUEL DIFFERENTIAL VALVE (P2) PUMP (P1)
T < 5°C
OFF
ON
5°C < T < 50°C
OFF OFF
50°C < T < 53°C
T < 60°C
< 5°C ON
OFF
> 5°C ON ON
T > 60°C
OFF OFF
50°C < T < 80°C
T < 60°C
Wood
< 5°C ON ON
Winter Pellet
< 5°C ON ON
Summer Pellet
< 5°C ON
OFF
> 5°C ON ON
T > 60°C
Wood OFF
ON
Winter Pellet OFF
ON
Summer Pellet OFF OFF
T > 80 °C
OFF
ON
P1
S1
sphere
valve
domestic cold
water
domestic hot
water
heating system
P2
S2
Boiler
non return
valve
sphere
valve
sphere
valve
sphere
valve
Electrovalve (P2)
23: towards heating system 24: towards domestic hot water
Probe (S2)
Puffer/Boiler

Related product manuals