EasyManua.ls Logo

Moxa Technologies ioLogik E1240 - TC Circuit

Moxa Technologies ioLogik E1240
120 pages
Print Icon
To Next Page IconTo Next Page
To Next Page IconTo Next Page
To Previous Page IconTo Previous Page
To Previous Page IconTo Previous Page
Loading...
ioLogik E1200 Series Introduction
1-9
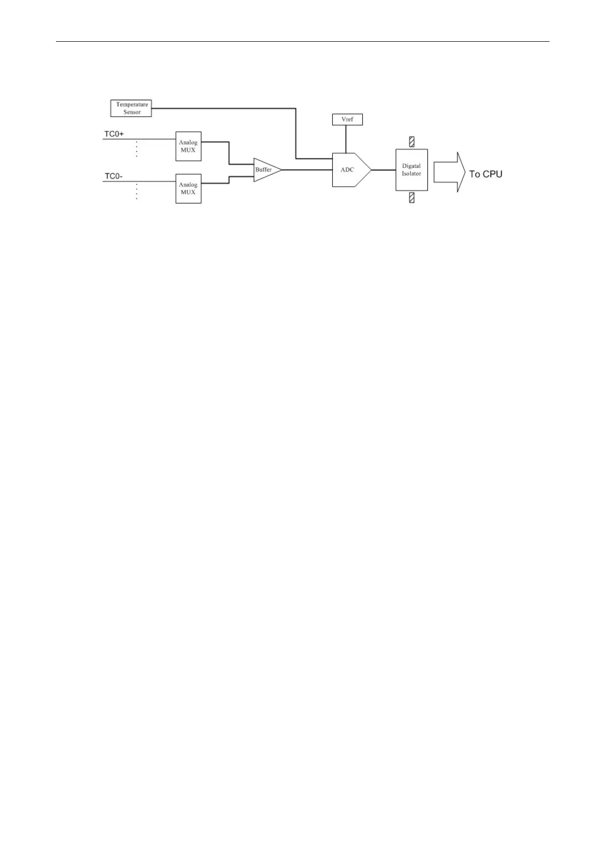
TC Circuit

Table of Contents

Other manuals for Moxa Technologies ioLogik E1240

Related product manuals