EasyManua.ls Logo

MR VACUTAP - Page 88

MR VACUTAP
96 pages
Print Icon
To Next Page IconTo Next Page
To Next Page IconTo Next Page
To Previous Page IconTo Previous Page
To Previous Page IconTo Previous Page
Loading...
A1
© MASCHINENFABRIK REINHAUSEN GMBH 2014
DIMENSION
IN mm
EXCEPT AS
NOTED
DOCUMENT NO.
STAND.
CHANGE NO.
DFTR.
CHKD.
SHEET
DATE
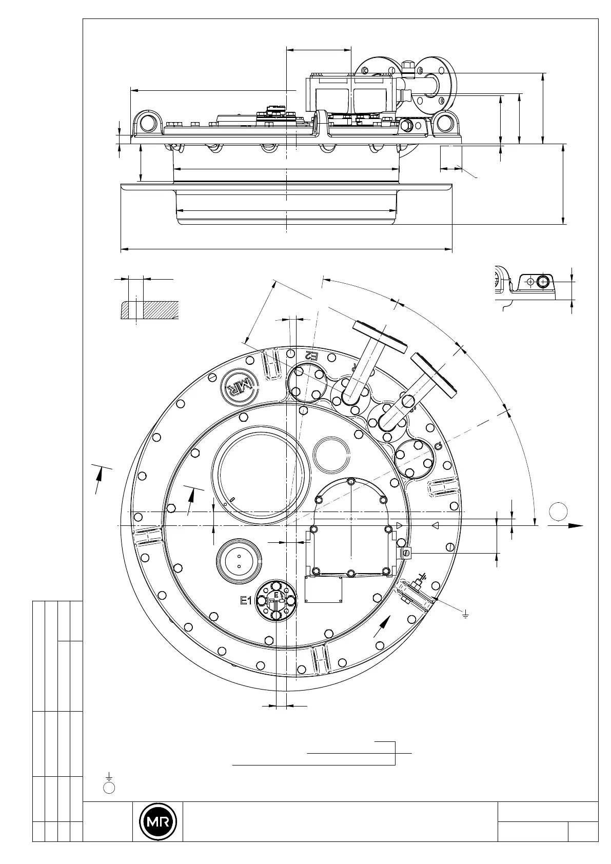
MODEL WITH UPPER GEAR UNIT
-
SED 5995330 001 00
1
101168850E
STREMPEL
06.06.2018
1:2
1087254
SCALE
NAME
/
STREMPEL06.06.2018
MATERIAL NUMBER
SERIAL NUMBER
07.06.2018 PRODASTSCHUK
ON-LOAD TAP-CHANGER VACUTAP® VVS®
ON-LOAD TAP-CHANGER HEAD
1
THE REPRODUCTION, DISTRIBUTION AND UTILIZATION OF THIS DOCUMENT AS WELL AS THE COMMUNICATION OF ITS CONTENTS TO OTHERS WITHOUT EXPRESS AUTHORIZATION IS
PROHIBITED. OFFENDERS WILL BE HELD LIABLE FOR THE PAYMENT OF DAMAGES. ALL RIGHTS RESERVED IN THE EVENT OF THE GRANT OF A PATENT, UTILITY MODEL OR DESIGN.
E1
E2
R
Q
S
M
15O
36
M
VIEW X
A-A
1:1
X
1:2
WIDTH OF GASKET
= BLEEDING FACILITY FOR TAP-CHANGER HEAD
= BLEEDING FACILITY FOR SPACE UNDER THE HEAD OUTSIDE THE TAP-CHANGER OIL COMPARTMENT
= CONNECTION FOR PROTECTIVE RELAY ( EXCHANGEABLE WITH CONNECTION Q )
= CONNECTION FOR OIL RETURN ( ONLY FOR OIL FILTER )
= CONNECTION FOR SUCTION PIPE
= EARTH CONNECTION M 12
= MARK ( DRIVE SIDE )
CONNECTIONS ORIENTABLE THROUGH 360°
660O
440O
450O
75
17
130
99,7
96
140,8
161
43
4
1
8
°
1
8
°
R
1
8
°
S
2
7
,
5
°
Q
14
55
20
2
°
1
4
0
E2
A
A
20
28
O 660

Table of Contents

Related product manuals