EasyManua.ls Logo

MSA ProtoCessor FPC-ED2 - Implement the Protocessor from a Hardware Perspective; How to Implement the Protocessor Socket on OEM Hardware

MSA ProtoCessor FPC-ED2
29 pages
Print Icon
To Next Page IconTo Next Page
To Next Page IconTo Next Page
To Previous Page IconTo Previous Page
To Previous Page IconTo Previous Page
Loading...
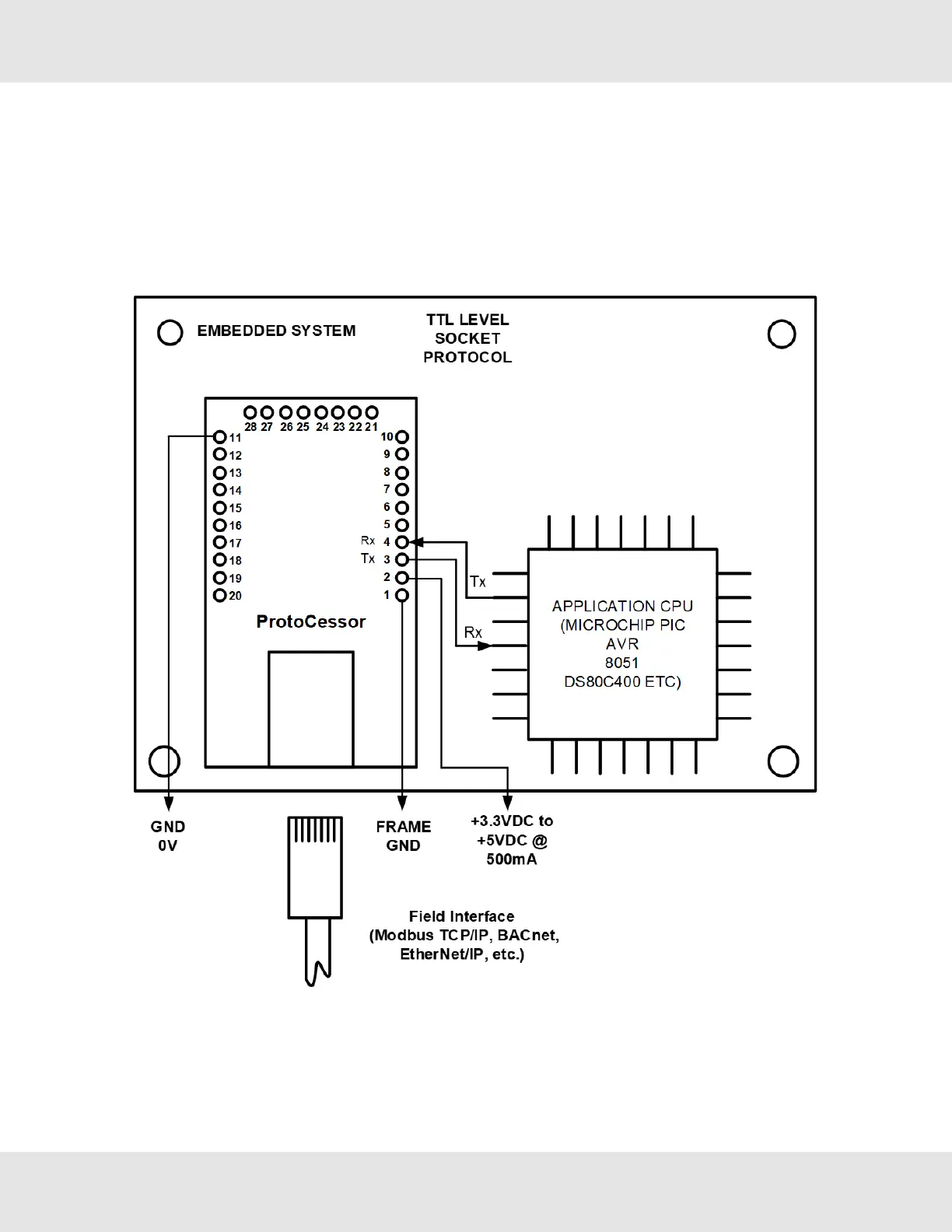
2 Implement the ProtoCessor from a Hardware Perspective
2.1 How to Implement the ProtoCessor Socket on OEM Hardware
The OEM needs to implement a ProtoCessor socket on the board consisting of u-shaped 2 x 10 and 1 x 8 pin headers
(reserved pins) which include the TX/RX signals power supply.
This socket will accommodate any current and future ProtoCessor.
The socket is populated only when the need for the protocol exists.
7 ProtoCessor Design Guide

Table of Contents