EasyManua.ls Logo

Mueller DW-600 - Technical Specifications; Circuit Diagram

Mueller DW-600
24 pages
Print Icon
To Next Page IconTo Next Page
To Next Page IconTo Next Page
To Previous Page IconTo Previous Page
To Previous Page IconTo Previous Page
Loading...
Outline Size W 21.6 x H 17.7 x D 21.6 in
Water Pressure 5.8 – 145PSI
Inlet Water Temperature ≤ 120°F
Nominal Voltage 120V
Frequency 60Hz
Rated Power 870W
Waterproof IPX1
Capacity 6 Place Settings + 6 Serving Pieces
TECHNICAL SPECIFICATIONS:
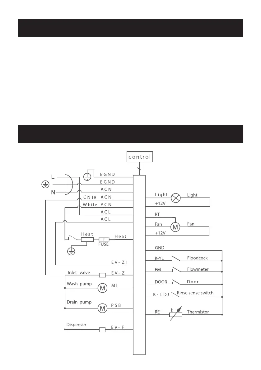
CIRCUIT DIAGRAM
POWER PLUG: 10A 250V~
21

Related product manuals