EasyManua.ls Logo

MULTIQUIP WTB-16PD - Page 51

MULTIQUIP WTB-16PD
53 pages
Print Icon
To Next Page IconTo Next Page
To Next Page IconTo Next Page
To Previous Page IconTo Previous Page
To Previous Page IconTo Previous Page
Loading...
WTB-16PD TRACK-DRIVE POWER BUGGY • OPERATION MANUAL — REV. #0 (08/31/20) — PAGE 51
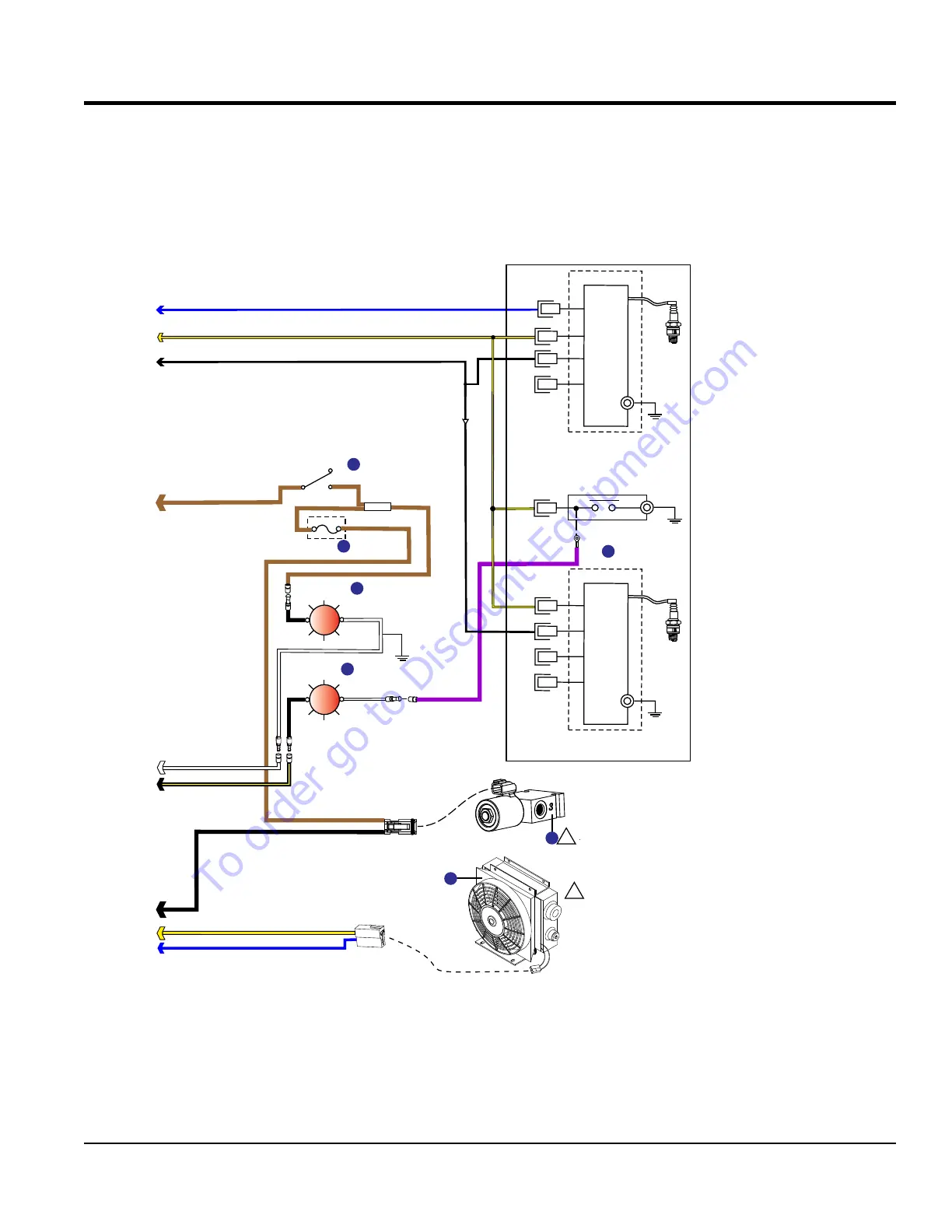
ELECTRICAL WIRING DIAGRAM
+12VDC YEL
GND. BLUE
OIL ALERT
LAMP
PARKING BRAKE
LAMP
NO
PARKING BRAKE
SWITCH
NC
5 AMP
FUSE
BR
BR
BR
BR
BLK
GND. FROM
EMERG. STOP
WHT
BLK
PURPLE
WHT
Y
BU
Y
B
Y
B
IGNITION
COIL (RIGHT)
IGNITION
COIL (LEFT)
OIL LEVEL
SWITCH
UNIT
UNIT
CHASSIS
GND.
CHASSIS
GND.
PARKING BRAKE
SOLENOID
BLK
BR
22
18
19
17
NOTE:
BLUE CIRCLE WITH WHITE LETTERING
DENOTES COMPONENT LOCATION.
REFERENCE ELECTRICAL LOCATOR
COMPONENT DRAWING.
23
1
1
15
20
To order go to Discount-Equipment.com

Related product manuals