EasyManua.ls Logo

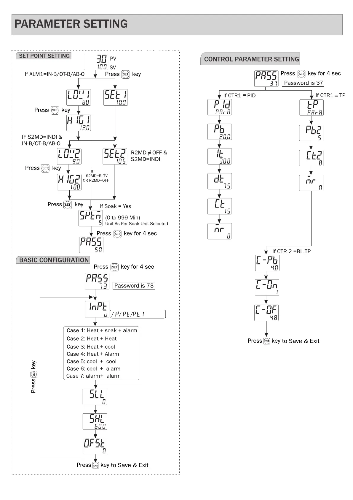
MULTISPAN UTC-2202G - Parameter Setting; Set Point Setting; Control Parameter Setting; Basic Configuration

MULTISPAN UTC-2202G
8 pages
Print Icon
To Next Page IconTo Next Page
To Next Page IconTo Next Page
To Previous Page IconTo Previous Page
To Previous Page IconTo Previous Page
Loading...
Page-5

Related product manuals