EasyManua.ls Logo

NAD 512 - IC Block Diagrams; Q101 and Q103 IC Diagrams

NAD 512
28 pages
Print Icon
To Next Page IconTo Next Page
To Next Page IconTo Next Page
To Previous Page IconTo Previous Page
To Previous Page IconTo Previous Page
Loading...
IC
BLOCK
DIAGRAM
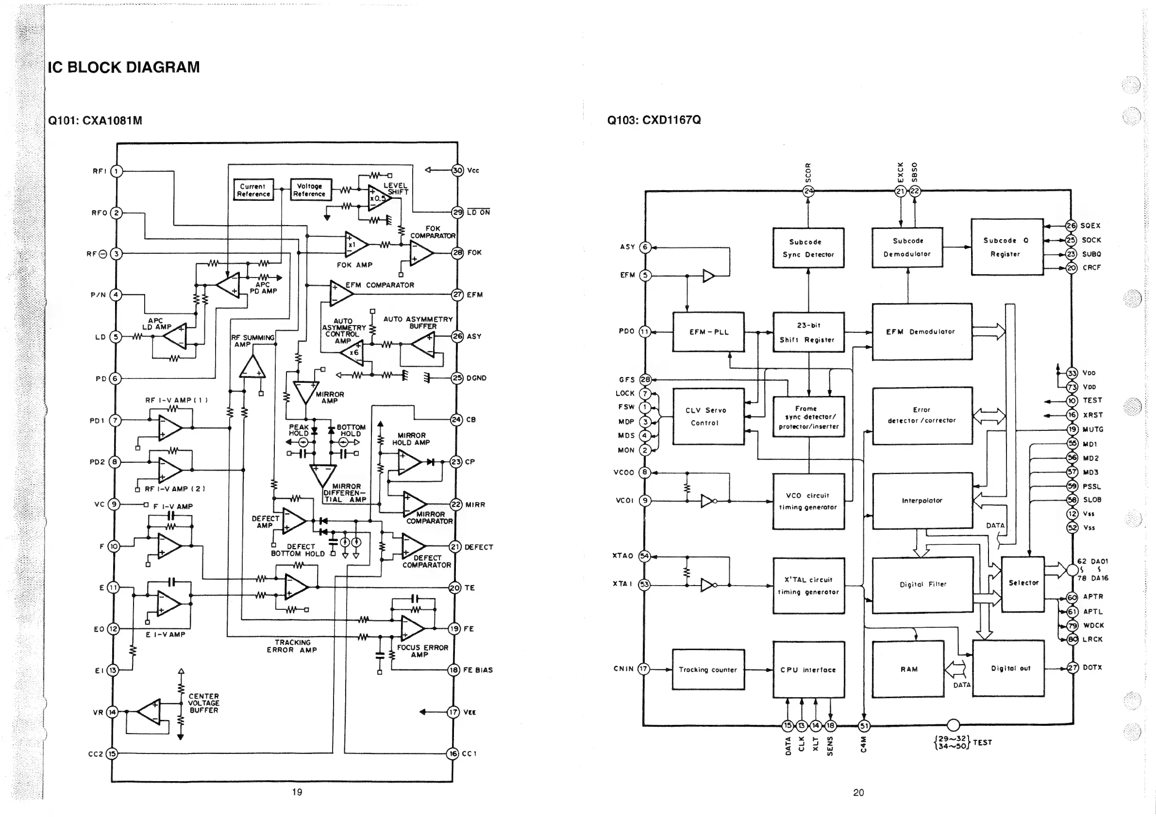
Q101:
CXA1081M
Q103:
CXD1167Q
Current
Reference
(®)
SCOR
Subcode
Subcode
Q
Subcode
Demodulator
Register
Sync
Detector
(27)
EFM
23-bit
PDO
EFM
Demodulator
(26)
ASY
Shift
Register
Error
detector
/corrector
CLV
Servo
Control
sync
detector/
protector/inserter
MIRROR
MOS
HOLD
AMP
MIRROR
vCcO
circuit
interpolator
68)
SLOB
timing
generator
22)
MIRR
DerecT
ie.
(21)
DEFECT
BOTTOM
HOLD
-
CE
reCr
XTAO
A
:
a
OL
TRACKING
FOCUS
ERROR
iil
(18)
FE
BIAS
CNIN
(17)
CENTER
VOLTAGE
BUFFER
(17)
Vee
X'TAL
circuit
Digital
Filter
timing
generotor
Trocking
counter
CPU
interface
(16)
cc}
19
20
|

Other manuals for NAD 512

Related product manuals