EasyManua.ls Logo

NAD 512 - Block Diagram

NAD 512
28 pages
Print Icon
To Next Page IconTo Next Page
To Next Page IconTo Next Page
To Previous Page IconTo Previous Page
To Previous Page IconTo Previous Page
Loading...
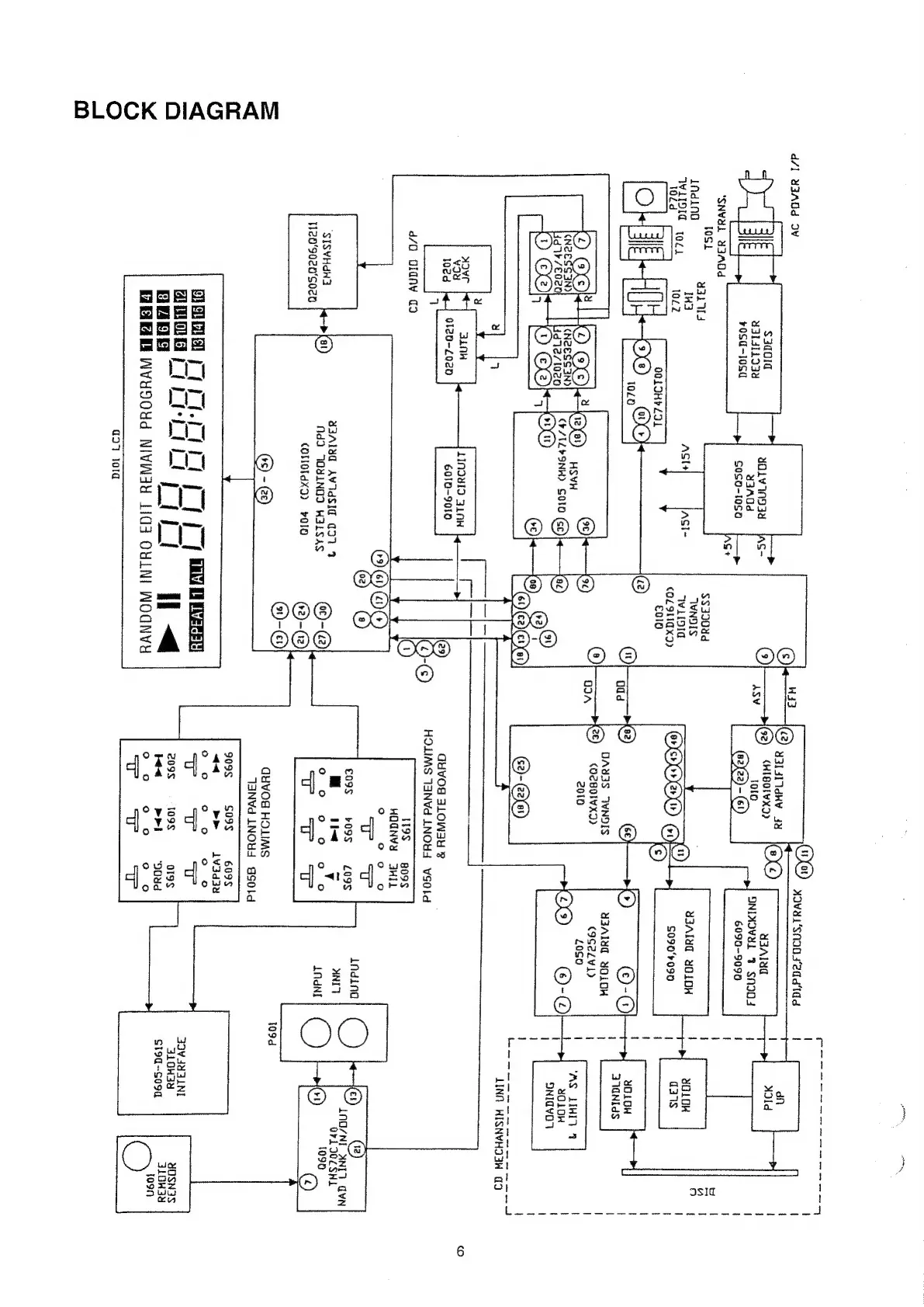
BLOCK
DIAGRAM
d/l
ABAdd
ov
“SNVAL
YBIAOd
WSL
S$300%d
aa.
wi
a
LL
an?
aval
ava)
lozz
coe
gttaxa)
OM
i
CO)
@®)
(N2ESGIND
di2/1025
LINDYID
Bink
6010-9010
CBO’
2)
@
Y3Alad
AVIdSId
a37
4
Add
WBLNOI
H3LSAS
@)-@
COMOIdXS)
Polo
@)-@
@)-@
“SISWHdN3
H20'9020'S020
ENDED
||
|.)
fT]
[YE
GOD
Jt
11-1
Lit
Lt
1842794)
ll
<
MBM
WVY9Odd
NIVWAY
LIGS
OYLN!
NOGNVHY
q37
lord
©
Hs
@
yx
n
41d
o.18
aieatyx
431411934
HIAGA
ONIADVAL
%
SNIO4
roSd-osd
soso-losa
6090-9090
ii
d/O
giday
ao
(1)
I
@@)
AIVAL'SNIOS
edd
Td
I
CO
ISIC
MSA
YOLON
So90‘r090
4010
SVINIdS
OAY3S
WNOIS
(OeBOIYXD)
2010
M3Alad
YOLOK
(9Ge2v1)
£0so
©-©
‘AS
LIHIT
4
%OL0R
ONIGVOD
proccck----
@-@®
Se
iteteiaeden
nee
|
LINA
HISNVHIAW
09
GuvOd
SLOWS
8
HO.LIMS
TANVd
LNOHS
VSOld
NW9S
Bogs
HOGNVY
3HIL
°
o
0
90
TT
ea9s
bO9S
09S
|
a]
7
Qo
fe}
oO
°
fe}
o
ae
eae
ce
Se
inding
ANI
INdNI
©
ANO/NE
ANID
VN
OFLIOCSHL
@)
1090
@
duvOgd
HOLIMS
TANVd
LNOYS
gS0ld
sogs
6098
<<
>>
LV3d3u
fo}
oO oO
fe}
°o
oO
U
U u
3OV3YNALNI
209s
=:
109
019s
BLOWaY
YOSNIS
a
|
‘90ud
si9q-co9a
ALOW3a
o
9a
o
698
Saye
-2-
asthe
©)
tasn
Go
0
qo.

Other manuals for NAD 512

Related product manuals