EasyManua.ls Logo

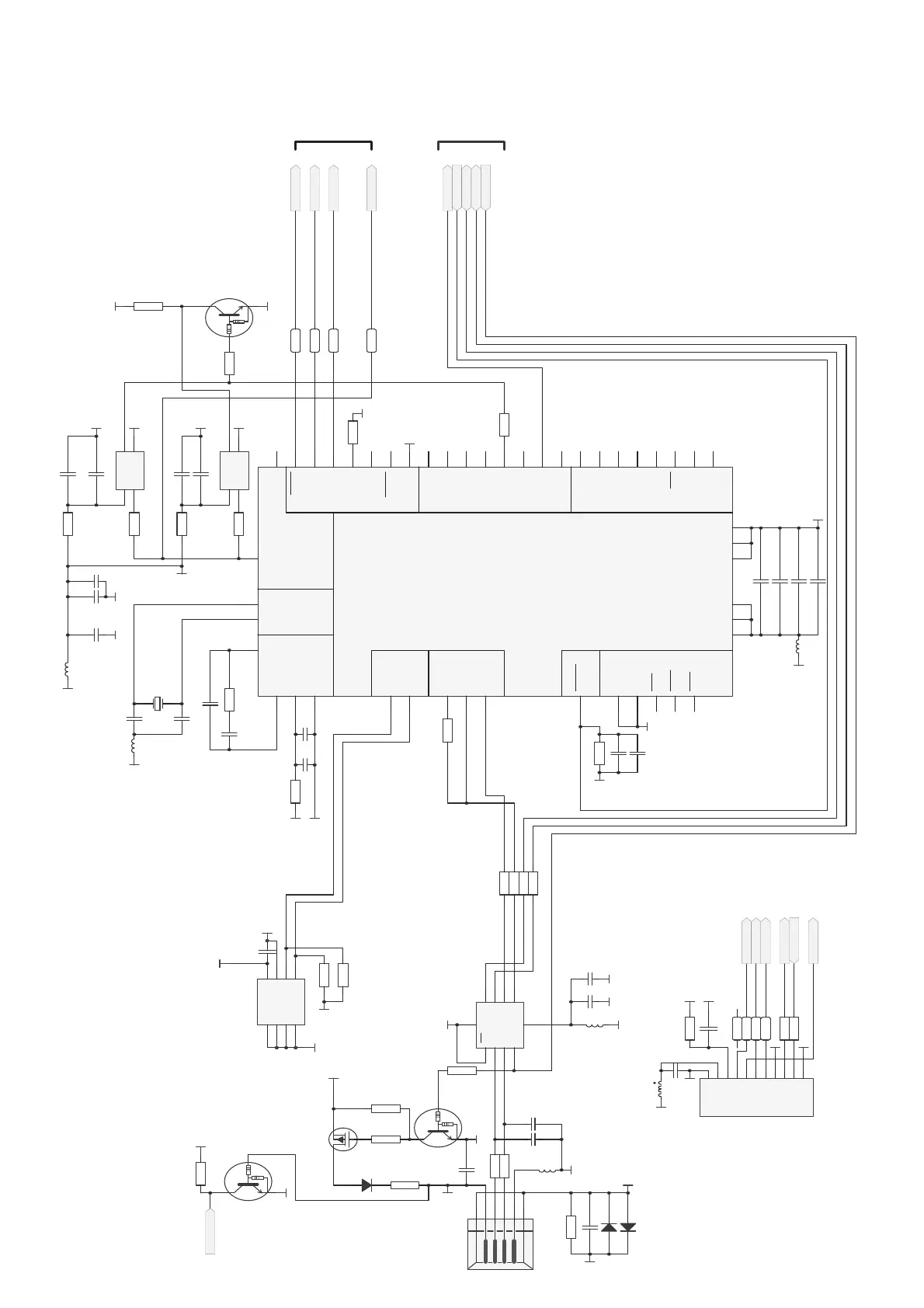
NAD D3020 - Preamp Circuit Diagrams (3;3)

NAD D3020
52 pages
Print Icon
To Next Page IconTo Next Page
To Next Page IconTo Next Page
To Previous Page IconTo Previous Page
To Previous Page IconTo Previous Page
Loading...
MCLKO2
40
CSYNC
35
P3.0
13
P3.1
14
P3.2/XINT
15
P3.3
17
P3.4
18
P3.5
19
NC
20
NC
22
P1.0
23
P1.1
24
P1.2
25
P1.3
26
P1.4
27
P1.5
29
P1.6
30
P1.7
31
CSCHNE
32
CRESET
34
MCLKO1
39
CDATI
36
CDATO
38
CSCLK
37
PLLFILO
1
AVDD
2
AVSS
45
SCL
44
SDA
43
PUR
5
DP
6
DM
7
MRESET
9
TEST
10
EXTEN
11
RSTO
12
RESET
41
VREN
42
PLLFILI
48
XTALI
47
XTAL0
46
MCLKI
3
DVDD
33
DVDD
21
DVDD
8
DVSS
4
DVSS
28
DVSS
16
U505
TAS1020BPFB
XC500
6M
C505
27P
C508
27P
C509
100P
C510
1N
R504
3k09
3V3A1
R505
2R7
C512
10U/6V3
C513
100N
AGND
L501
FB
R513
1K50
AGND
R507
2k2
R508
2k2
A0
1
A1
2
A2
3
Vss
4
SDA
5
SCL
6
WP
7
Vdd
8
U502
24LC64
AGND
C511
100N USCL
USDA
AGND
3V3D
USBS_RST
R506B
33R
R506A
33R
R506D
33R
R506C
33R
3V3D
3V3D
L505
FB
C524
10U/6V3
C523
100N
C522
100N
C521
100N
C501
1N
AGND
C507
1N
C500
22U/6.3V
TR
1
GND
2
OUT
3
VDD
4
U500
24.576M
AGND
C506
22U/6.3V
TR
1
GND
2
OUT
3
VDD
4
U501
22.5792
AGND
AGND
R500
10R
R503
33R
R502
10R
L500
FB
C502
2.2U
AGND
C503
100N
C504
22U/6V3
AGND
R501
33R
AGND
AGND
R522
4K7
USBS_RST
AGND
R509
NC
AGND
3V3A1
USBS_RST
USB SLAVE IO
USBS IIS
TO MCU
AGND
3V3D
USB_RDY
USBS_RDY
1
2
3
4
6
5
J111
USB TYPE B
R515
0R
R516
0R
USBID_P
USBID_N
C515
NC
C516
NC
L502
10uH
R521
100R
C518
10N
AGND
AGND
D501
1SS352
D502
1SS352
USBGND
1D+
1
1D-
2
2D+
3
2D-
4
GND
5
OE
6
D-
7
D+
8
S
9
VCC
10
U503
TS3USB221A
MCUD_P
MCUD_N
USBD_N
AGND
C519
100N
C520
2.2U
AGND AGND
R517
0R
R518
0R
R519
0R
R520
0R
USBS1
3V3D
L504
742792662(WE)
USBD_P
R510
10k
R511
10K
Q501
DTC114EKA
G
D
S
Q500
APM2301
5VS
AGND
D500
BAS316
R512
3R3
C514
4U7
R514
4K7
MCUD_N
MCUD_P
USBS1
MCUD_N
MCUD_P
USBS1
USB_MCLKO
USB_MCLKO
USB_BCK
USB_DO
USB_FS
USB_DO
USB_BCK
USB_FS
VBUS
R526
10K
Q502
DTC114EKA
AGND
R527
33K
3V3A1
Q503
DTC114EKA
AGND
R528
10K
5VS
USB DET
R529
33
C526
10N
C527
1N
AGND
AGND
AGND
R523A
33R
R523B
33R
R523C
33R
R523D
33R
5VD
C517
22U
L503 BMB2A0600RS2
BT_DO
BT_BCK
BT_FS
BT_TXa
BT_RXa
R524
0R
R525
0R
BT_TXa
BT_RXa
BT_FS
BT_BCK
BT_DO
BT IIS TO DAC
BT_VREG
GND
1
VDD
2
RST
3
IIS_OUT
6
VREG
8
IIS_CLK
9
IIS_WS
11
GND
12
TX
14
RX
15
GND
17
U504
BT_MODULE
C531
N.I.
R531
N.I.
AGND
3V3D
1.PREAMP VM2.1(3/3)
PRE_USB_Vm1.2
14

Related product manuals