EasyManua.ls Logo

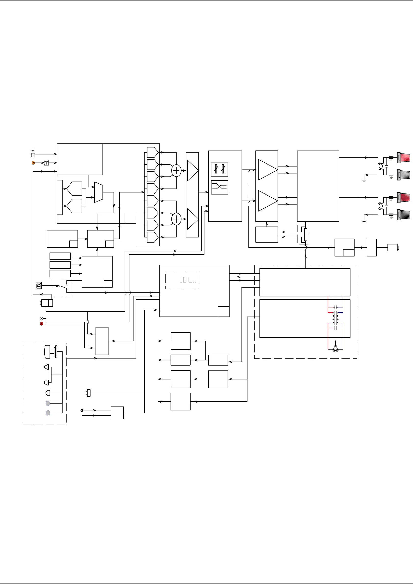
NAD D3020 - Block Diagram

NAD D3020
52 pages
Print Icon
To Next Page IconTo Next Page
To Next Page IconTo Next Page
To Previous Page IconTo Previous Page
To Previous Page IconTo Previous Page
Loading...
COAX
OPTO
NJW1194
Volume CONTROLER
R CH OP
TRIG IN
LOGIC
MAIN PSU
Standby PSU(PI LNK624)
5V 1A
MAIN L
MAIN N
Main MCU
PIC24F64GB106
BLOCK DIAGRAM
Plug in senser
SPDIF
SPDIF
VOLUME
GPIO
IR
FRONT PANEL CONTROL
standby (<0.2W dissipation )
PSU BOARD
3.5MM jack(OPTO+ANA)
SPDIF
Digital Volume
IIS
IIS
2X50W 4ohm
UCD102 AMP
BUFFER
AC INLET
LP
LN
RP
RN
SPI
I2C
GPIO
USB
USB
USB AUDIO
TAS1020
LED
STBY
FPP BOARD
IIS SWITCH
NC7SV157 X 7
IIS
Rail Detection
32V5 ON
AC DET
USB SWITCH
TS3USB221
USB FOR Service
I2C
SPI
SPI
LDO
AMS1117
3V3S
LDO
7805
5VA
3V3D
3V3S
3V3D
3V3D
3V3D
3V3D
L CH OP
2X35W 8ohm
Gain 13.5dB
Clipping control
NE5532
LP
RP
HP OUT
NE5532
HP OUT
+/-12V
Analog in RCA
Bluetooth Module
UART
NAD design
SPI
5VA
3V3D
LPF
NE5532
2X
L&R
L&R
L&R
L&R
+/-35V 3.2A; 10A Peak(half cycle )
7815/7915
+/-20V
+/-15V
LM317/337
+/-7V
+15V
CP
+/-7V
+/-7V
CS42528
Codec
Digital audio receiver
ADC R
DAC4
ADC L DAC 6
DAC 1
DAC 3
DAC 5
DAC 7
DAC 2
DAC 0
IIS
IIS
Analog Gain
GPIO
SOURCE
Signal detect
1XTL084
L&R
Signal det
TONE Control
Clipping Control
1XTL084
+/-35V
Current sense
12VDR
-20V(VDR)
+/-20V 0.2A
LDO
AMS1117
MOS-switch
APM2313
GPIO
5VS
5VS
5VD
BASS ON
5VD
IIS
MUTE
CRYSTAL
6MHz
CRYSTAL
22.5792MHz
CRYSTAL
24.576MHz
Switch Frequency 500KHz
7

Related product manuals