EasyManua.ls Logo

NAD L75 - Page 20

NAD L75
49 pages
Print Icon
To Next Page IconTo Next Page
To Next Page IconTo Next Page
To Previous Page IconTo Previous Page
To Previous Page IconTo Previous Page
Loading...
2-21
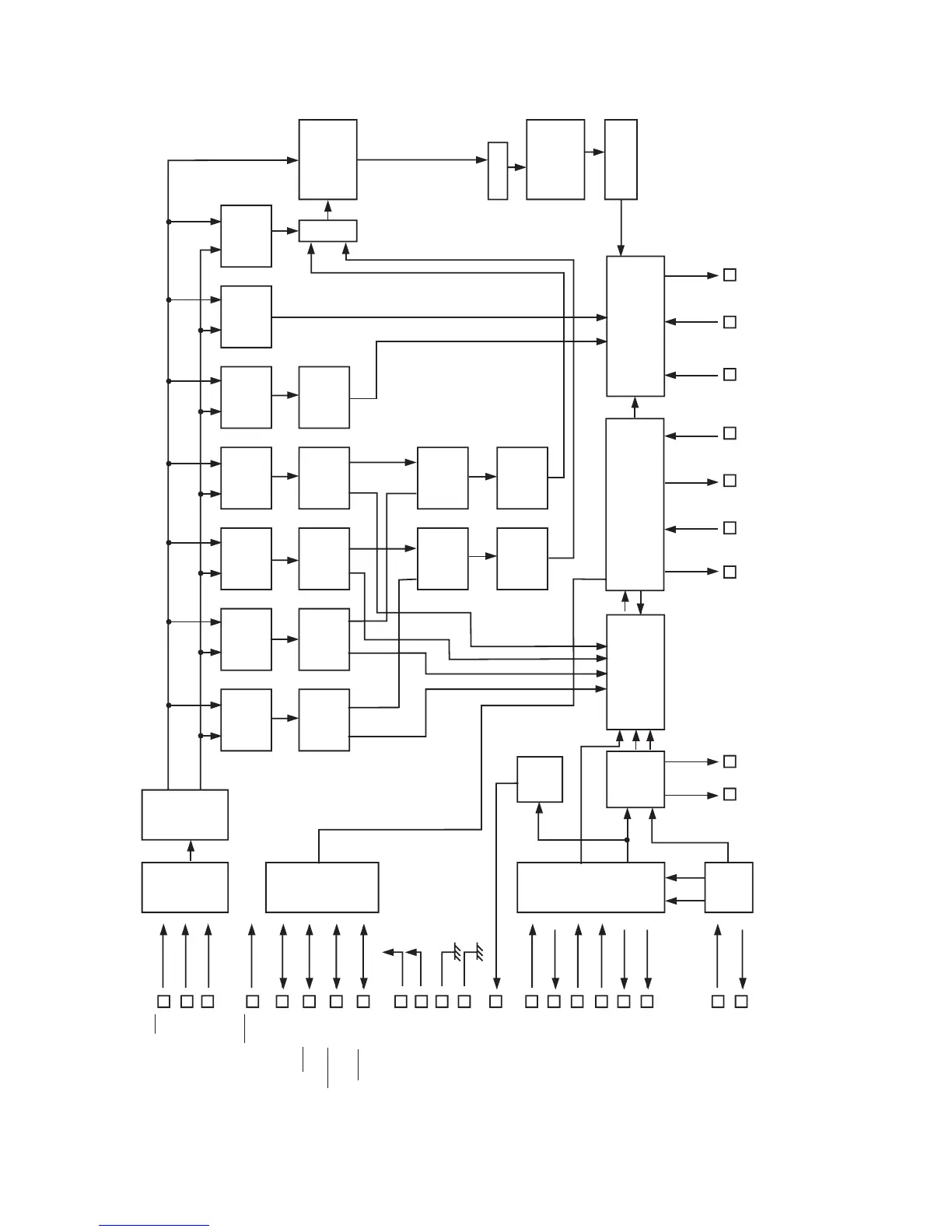
ANAM 2024V (OSA IC25)
CS
8
9
10
15
11
12
13
14
30
17
1
29
27
28
26
24
25
23
19
4 7 2 3 5 6 19 18 16
20
21
Serial-
parallel
converter
8-bit latch
and
command
decoder
Horizontal
character
size register
Horizontal
size
counter
Vertical
character
size register
Vertical
size
counter
Horizontal
display
position
register
Horizontal
display
position
detection
Character
control
counter
Line
control
counter
Horizontal
dot counter
Vertical
display
position
register
Vertical
display
position
detection
Vertical
dot counter
Flashing/
reversal
control
register
Flashing/
reversal
control
register
Display
control
register
RAM write
address
counter
Composite
synchro-
nization
signal
control
Composite
synchro-
nization
signal
separa-
tor control
AFC
circuit
Sync
separator
Sync
detector
HSYN
OUT
VSYN
OUT
Xtal
IN1
Xtal
IN2
Xtal
OUT1
Xtal
OUT2
CV
CR
CV
IN
CV
OUT
Timing generator
Synchronizztion
signal generator
Shift register
Font ROM
Decoder
Display RAM
Decoder
Character output control
Background control
Video output control
SCLK
SIN
RST
SECAM
525/625
NTSC/PAL
3.58/4.43
VDD1
VDD2
VSS
22
VSS
SYNCDET
VCO
IN
VCO
OUT
AMP
IN
PD
SYN
SEPc
IN
AMP
OUT
OUT
FC

Other manuals for NAD L75

Related product manuals