EasyManua.ls Logo

NAD L75 - Page 30

NAD L75
49 pages
Print Icon
To Next Page IconTo Next Page
To Next Page IconTo Next Page
To Previous Page IconTo Previous Page
To Previous Page IconTo Previous Page
Loading...
2-39 2-40
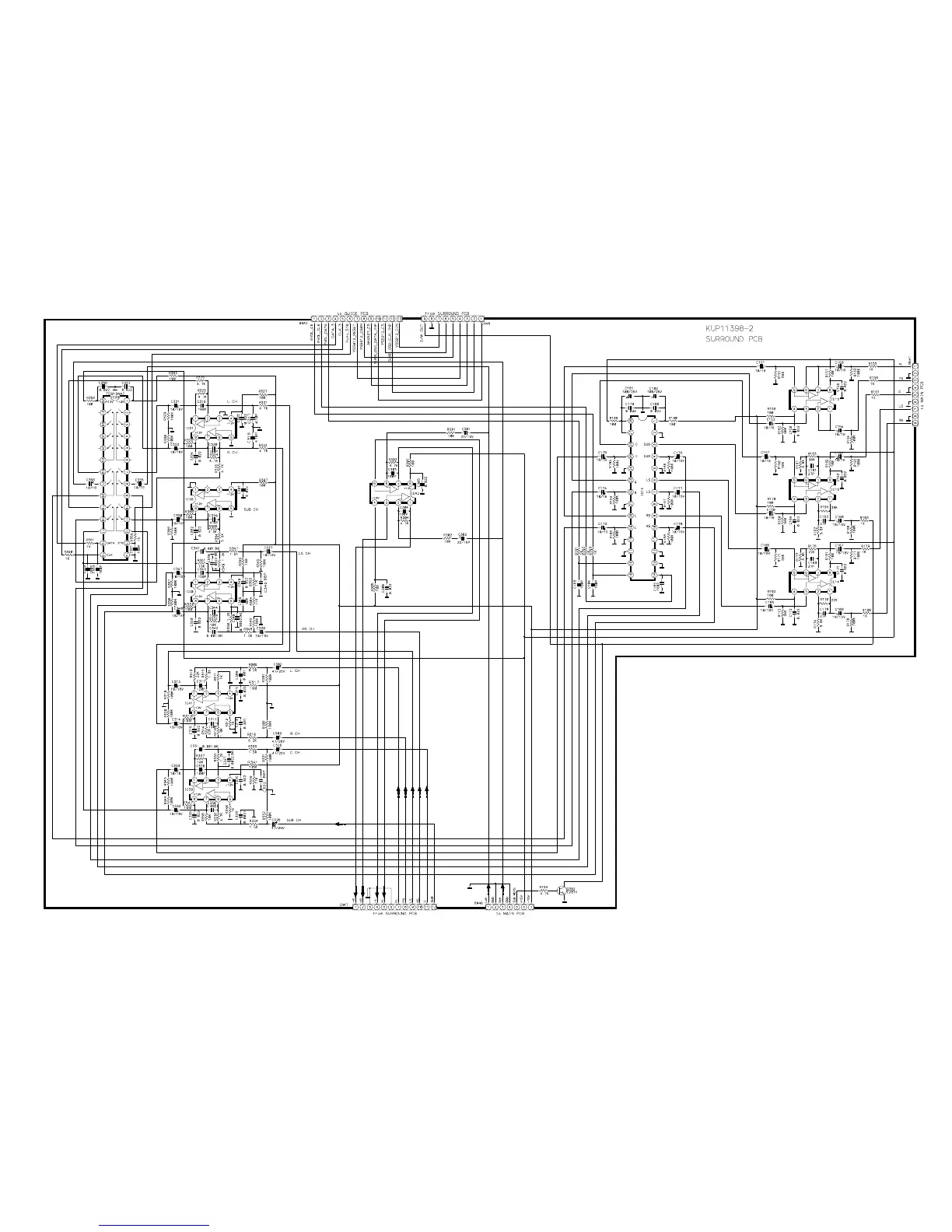
SURROUND CIRCUIT DIAGRAM

Other manuals for NAD L75

Related product manuals