EasyManua.ls Logo

NAD S250 - Page 9

NAD S250
18 pages
Print Icon
To Next Page IconTo Next Page
To Next Page IconTo Next Page
To Previous Page IconTo Previous Page
To Previous Page IconTo Previous Page
Loading...
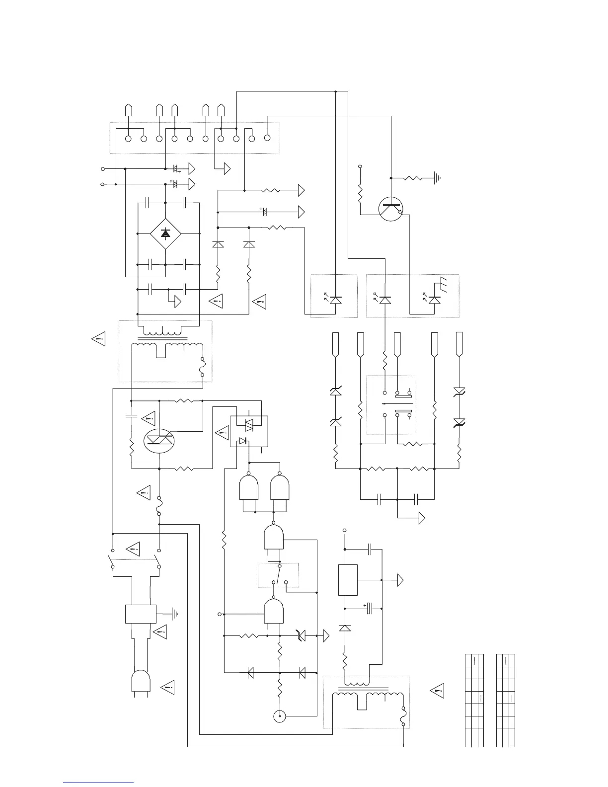
F1
T6.3A 250V SEMKO/VDE
SW1
R102
33
C2
0.1u
C3
0.1u
C8
33000uF/80V
C1
47nF 250V
C4
0.1u
C6
0.1u
R101
6R8 1W
R106
1K
R103
1K
C5
0.01u
C7
0.01u
1
2 4
3
5
M101
LINE FILTER FOR 230V VERSION ONLY
1
2
AC1
AC INLET
POWER SWITCH
T1
MAIN POWER TRANSFORMER
D1
DIO-BRIDGE1
J1
J2
J3
J4
J5
J6
J7
J8
J9
J10
1
2
3
U102A
HEF4011
4
5
6
U102B
HEF4011
7
8
9
10
U102C
HEF4011
11
12
13
14
U102D
HEF4011
J2
DC IN
R107
1K
SW2
AUTO POWER SW
R108
10K
R104
560
T102
STANDBY TRANSPORWER
R105
1R
C102
470u/25V
3
2
1
U103
78L05
C103
0.1u
+5V
C12
10u/100V
C11
10u/100V
R12
750R
R11
750R
R8
3K9 2W
D105
5V6
D11
IN4745A
D10
IN4745A
D12
IN4745A
D13
IN4745A
R10
3K9 2W
R6
300R FP
R1
300R FP
R9
390R
5 2
4 1
6 3
SW3
SOFT CLIPPING
R7
10K 2W
LED1
POWER
LED2
LED CLIP
LED3
PROTECT
Q102
2SC1815
R112
10K
C9
33000uF/80V
R2
1R FP
R3
1R FP
R4
10K 2W
R5
10K 2W
C10
4.7u
V+
V-
V+
V-
V+
1
2
34
5
6
U101
TLP3063
Line
Filter
NEUTRAL
LIVE
FUSE
T12.5A 250V UL/CSA
CH1-5
V+
+VCTL
V-
-VCTL
GND
100V
IN
OUT
GND
NP
NP
1/2W
1/2W
ON
OFF
R111
560R
+5V
MAIN TRANSFORMER
120V
230V
M1 M2 M3 M4 M5 M6
BRN
BRN
BLK
BLK
WHT
WHT
BLU RED
RED BLU
STANDBY TRANSFORMER
120V
230V
S1 S2 S3 S4 S5 S6
BLK
BLK
WHT
WHT
RED
RED
BLU BRN
BRN BL U
D202
IN4148
D103
IN4148
D104
IN4148
D3
IN4004
D2
IN4004
PROTECT
LED
POWER LED PCB
CILP PROTECT PCB
+VCTL
-VCTL
CLIP SWITCH PCB
Q101
TRIAC 20A
KA
A
A
K
KDGND
DGND
+5V
POWER SUPPLY

Related product manuals