EasyManua.ls Logo

NAD S250 - Schematic Diagram

NAD S250
18 pages
Print Icon
To Next Page IconTo Next Page
To Next Page IconTo Next Page
To Previous Page IconTo Previous Page
To Previous Page IconTo Previous Page
Loading...
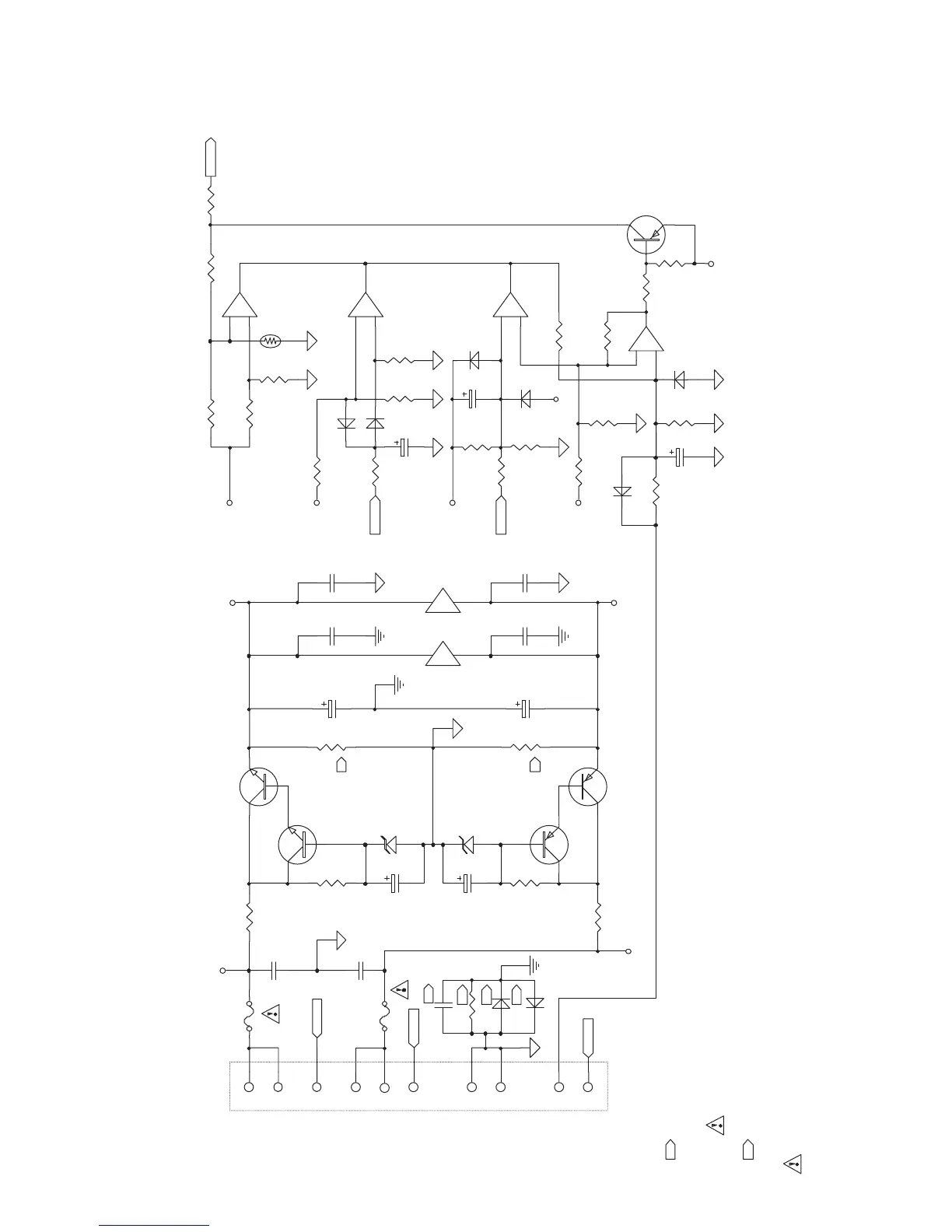
J1-1
J1-2
J1-3
J1-4
J1-5
J1-6
J1-7
J1-8
J1-9
J1-10
F1
T6.3A 250V
F2
T6.3A 250V
C24
0.1
C25
0.1
R63
1R
Q26
MPSA06
Q25
2N6488
R65
7K5
C33
100u/16V
D19
IN4744
D20
IN4744
C34
100u/16V
R66
7K5
Q27
MPSA56
Q28
2N6491
R64
1R
R67
2K2
R68
2K2
C35
470u/16V
C36
470u/16V
1
6
7
+
-
U2A
LM339
2
4
5
+
-
U2B
LM339
11
10
13
+
-
U2C
LM339
14
8
9
+
-
U2D
LM339
12
3
U2E
LM339
4
8
U1C
NE5532
C37
0.1u
C38
0.1u
C28
0.1u
C27
0.1u
R57
1M
R58
200K
D17
IN4004
C13
22u/25V
20%
D16
IN4148
R54
20K
Q1
2N4403
R56
1M
R61
20K
R55
200K
R62
20K
R83
2K21 1%
R72
51K
ILIMIT
R69
100K
R70
200K D15
IN4148
C18
22u/25V
D18
IN4148
+12V
+12V
-12V
+12V
AMPOUT
R76
51K
C20
22u/25V
D22
IN4148
D21
IN4148
R73
20K
R75
510K
R74
20K
+12V
R80
825R
R79
1K
R81
15K 1%
R78
2K21 1%
R77
11K5 1%
R85
100R
+12V
PROTECT
1W
FP
20%
2%
1W
FP
V+
V-
20%
20%
50V 50V
50V 50V
1%
NTC
1/2W FP
20%
20%
C26
R60
D14
D23
4
4
4
4
PROTECT LED
COM
V-
V+
4
4
INSERT BUSS WIRE JUMPER 401-20003-00 FOR
R22. R50
SIGNIFIES SAFETY CRITICAL COMPONENTS
REFER TO THE SAFETY INFORMATION SECTION OF THE
SERVICE MANUAL FOR COMPLETE INFORMATION.
COMPONENTS NOT INSTALLED:
C10. C12. C14. C15. C21. C26.
D1. D2. D13. D14. D23. D24
R8. R20. R49. R52. R53. R60. R67. R68 AND R84.
ABBREVIATION: FLAME PROOF = FP.
ALL FP DESIGNATED PARTS ARE SAFTEY
CRITICAL REFER TO NOTE 5.
ALL CAPACTORS ARE IN MICROFARADS.
10%. 100V. ( DEFAULT VOLTAGE )
ALL RESISTORS ARE IN OHWS 1/4W 5%
7
5.
4
3.
2.
1.
RYDRV
AGND
GND
GND
AGND
+VCTL
-VCTL
GND
+12V
-12V
AGND
AGND
SCHEMATIC DIAGRAM
POWER AMP 1

Related product manuals