EasyManua.ls Logo

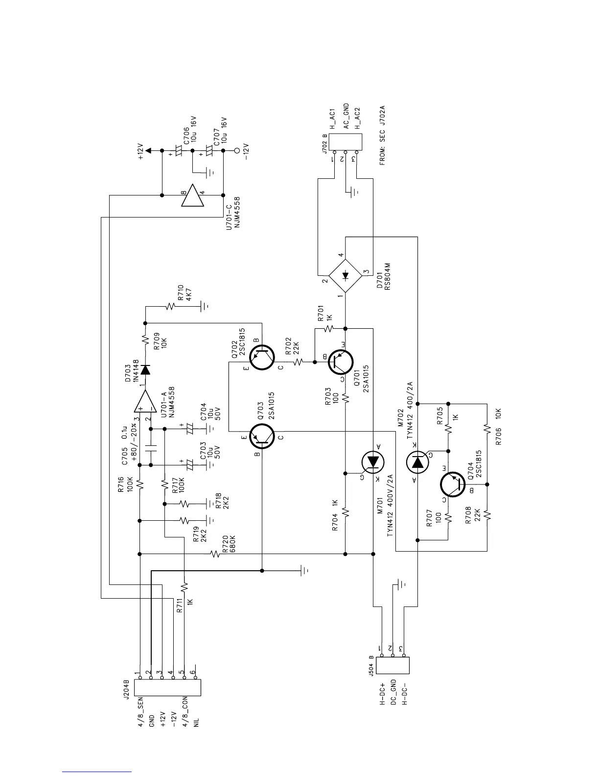
NAD T 761 - Schematic Diagrams (Continued); Load Board Schematic Diagram

NAD T 761
70 pages
Print Icon
To Next Page IconTo Next Page
To Next Page IconTo Next Page
To Previous Page IconTo Previous Page
To Previous Page IconTo Previous Page
Loading...
44
(TO KEY BOARD J204A)
(TO FRONT AMP J504A)
LOAD
NOTE: 1. RESISTORS ARE CARBON FILM 5% 1/8W UNLESS OTHERWISE SPECIFIED.
2. CERAMIC CAPACITORS ARE 50V 10%. UNLESS OTHERWISE SPECIFIED.