EasyManua.ls Logo

NAD T 761 - IC Block Diagrams; AC3 Board IC Block Diagrams

NAD T 761
70 pages
Print Icon
To Next Page IconTo Next Page
To Next Page IconTo Next Page
To Previous Page IconTo Previous Page
To Previous Page IconTo Previous Page
Loading...
45
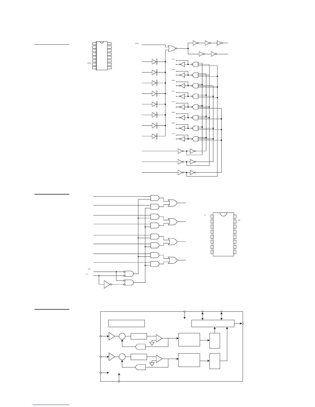
IC BLOCK DIAGRAM
AC3 BOARD
U101: 74HC151
AC3 BOARD
U102: 74HC157
AC3 BOARD
U103: CS5331A
1D3
2D2
3D1
4D0
5Y
6W
7ST
16 V
CC
15 D4
14 D5
13 D6
12 D7
11 A
10 B
8GND
9C
12
11
10
9
S7
13
S6
14
S5
15
S4
1
S3
2
S2
3
S1
4
12
13
14
15
1
2
3
4
7
ST
6
W
5
Y
S0
S7
S7
A
S6
S6
S5
S5
S4
S4
S3
S3
S2
S2
S1
S1
S0
S0
B
C
4
1Y
7
2Y
9
3Y
12
4Y
15
1
G
13
4B
10
3B
6
2B
5
2A
3
1B
2
1A
11
3A
14
4A
A/B
1A/B VCC16
21A G15
31B 4A14
41Y 4B13
52A 4Y12
62B 3A11
72Y 3B10
8GND 3Y9
AINL
8
+
-
+
-
+
-
5
6
7
42 3
1
AINR
AGND
S/H
Comparator
MCLK SCLK LRCK
SDATA
Comparator
Voltage Reference
Serial Output Interface
Digital
Decimation
Filter
Digital
Decimation
Filter
High
Pass
Filter
High
Pass
Filter
S/H
VA+
+
-
LP Filter
DAC
DAC
LP Filter

Related product manuals