EasyManua.ls Logo

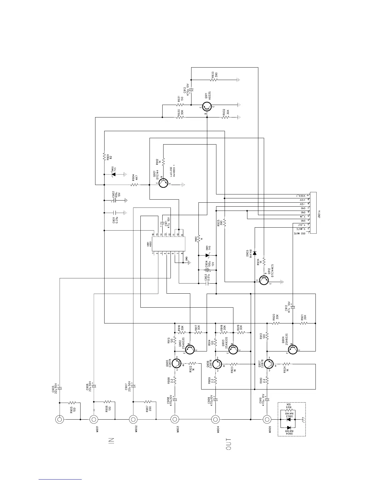
NAD T 761 - Component Video Schematic Diagram

NAD T 761
70 pages
Print Icon
To Next Page IconTo Next Page
To Next Page IconTo Next Page
To Previous Page IconTo Previous Page
To Previous Page IconTo Previous Page
Loading...
43
OY
Z-COM
OE
INH
VEE
VDD
Y-COM
X-COM
OX
A
B
C
VSS
(TO MAIN J901B)
Cr
Cb
Cr
Y
Y
Cb
COMPONENT VIDEO
NOTE: 1. RESISTORS ARE CARBON FILM 5% 1/8W
UNLESS OTHERWISE SPECIFIED.
2. CERAMIC CAPACITORS ARE 50V 10%.
UNLESS OTHERWISE SPECIFIED.