EasyManua.ls Logo

Nastec MIDA 207 - COMBO Electrical Wiring; Programming the Master Unit

Default Icon
56 pages
Print Icon
To Next Page IconTo Next Page
To Next Page IconTo Next Page
To Previous Page IconTo Previous Page
To Previous Page IconTo Previous Page
Loading...
An additional water demand, leads to an increase in the pump frequency until, having reached its maximum
frequency, a third pump is started and so on.
In case of reduced demand, the last pump started decreases its frequency until it switches off.
11.2.2. Synchronous operating principle.
If parameter COMBO synchrony is set to ON, synchronous operation is achieved. This operating mode provides
additional energy savings over cascade operation.
When water is required, a pump is started at variable speed according to the demand.
When the demand increases and the maximum frequency is reached, a second pump is started and the two pumps
run at the same speed to satisfy the water demand.
A further request leads to an increase in the frequency of the two pumps until, having reached their maximum
frequency, a third pump is started and so on.
In case of reduced demand, all the pumps of the unit reduce their frequency and, once reached the minimum
frequency, the pump that was started last switches off.
NOTE
To ensure correct synchronous operation, parameter Frequency min control must be set appropriate-
ly, i.e. two or three Hz above the working frequency at zero flow.
NOTE
If parameter Alternance is set to ON , the start priority of the pumps in COMBO mode is established
according to the operating hours, and parameter Alternance period establishes the number of hours
of continuous operation after which the pumps in the unit are forced to alternate.
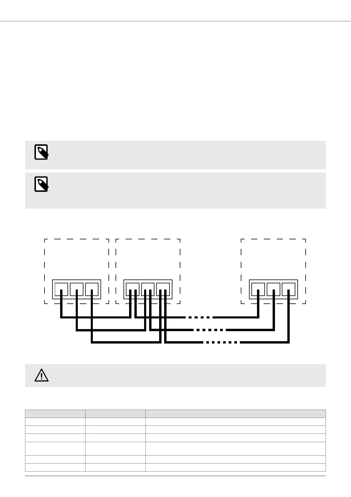
11.2.3. Electrical connections.
S1+ S1- G
COMBO
MASTER: 0
S1+ S1- G
COMBO
SLAVE: 1 SLAVE: N
S1+ S1- G
COMBO
WARNING
Respect the polarity of the connections.
11.2.4. Programming the master unit.
Menu Parameter Value
Control parameters COMBO ON to activate.
Control parameters Address 00
Control parameters Alternance ON to activate / OFF to deactivate.
Control parameters Alternance period Establishes the number of hours of continuous operation after which the pumps in the
unit are forced to alternate. The value 0 means 5 minutes.
Control parameters COMBO synchrony ON to activate / OFF to deactivate.
Control parameters Start delay AUX We recommend setting 0 s.
MIDA
41

Table of Contents

Other manuals for Nastec MIDA 207

Related product manuals