EasyManua.ls Logo

NEC DTE-29U1TH - Page 16

NEC DTE-29U1TH
71 pages
Print Icon
To Next Page IconTo Next Page
To Next Page IconTo Next Page
To Previous Page IconTo Previous Page
To Previous Page IconTo Previous Page
Loading...
-15-
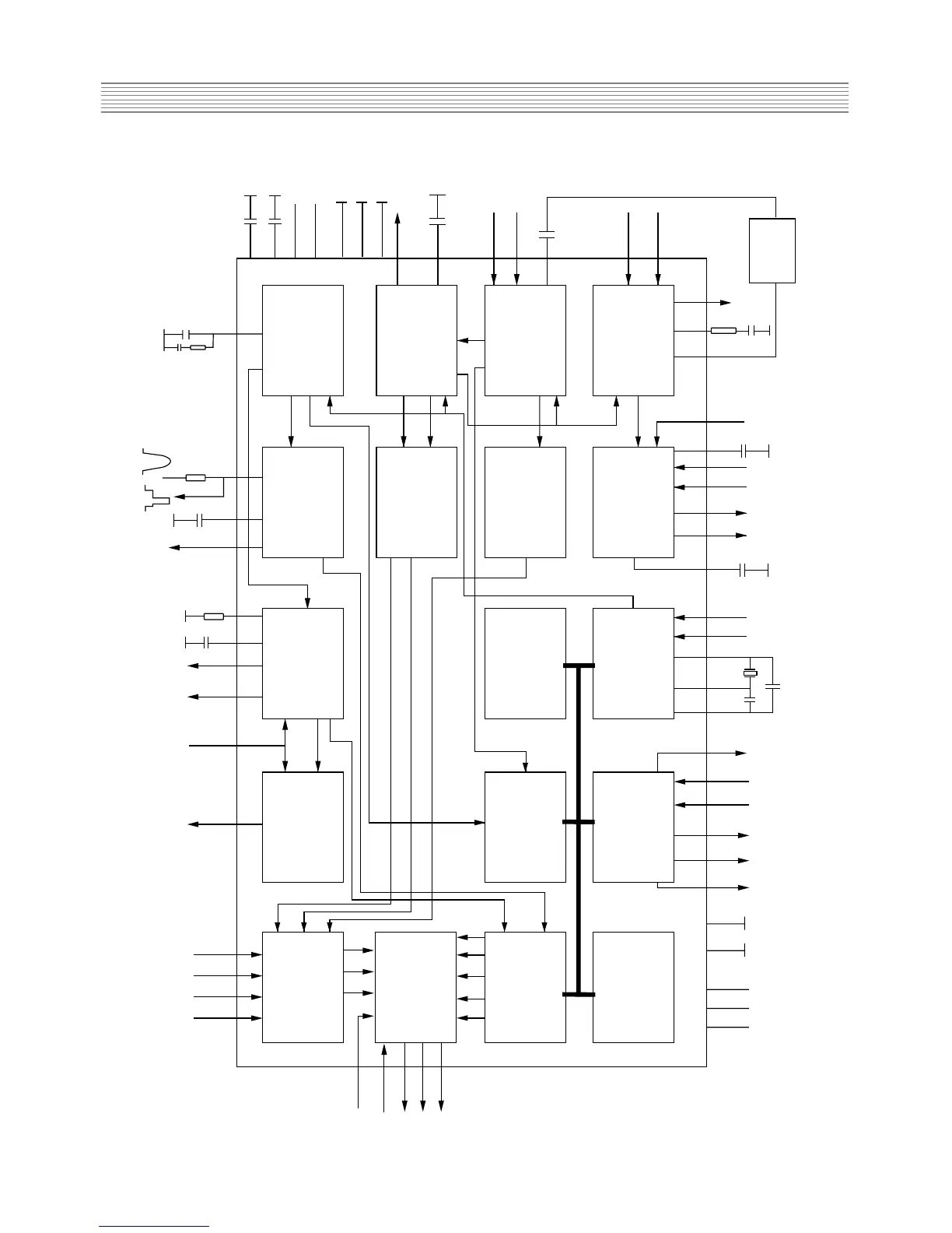
Service Manual CP-785F
+8V
13
43
24
23
42
40
CVBS/Y
IFIN
TUNERAGC
SOUND
TRAP
27 37
VIDEO SWITCH
VIDEO IDENT.
VIDEO FILTERS
38
(35) (35)
(32)
28 29 44 31 60 55 59 58 57 2 3 4 9 12
10 PAGE
MEMORY
TELETEXT/OSD
DISPLAY
+3.3V
5654 61
(20)
AUDEXT
SIFIN
QSSOUT/AMOUT
AMOUT
RESET
VPE
LED OUT (2x)
VST OUT
ADC IN (4x)
I/O PORTS (4x)
1+62-64
SCL SDA
5-8
10/11
VISION IF
ALIGNMENT-FREE
PLL DEMOD.
AGC/AFC
VIDEO AMP.
CHROMA
PAL/SECAM/NTSC
DECODER
H/V SYNC SEP.
H-OSC. + PLL
(32)
30
41
18
39
14
19
17
H
34 16 33 25 26 22 21 36
(20) 46 47 48 45
50
49
53
52
51
BLKIN
BCLIN
BO
GO
RO
COR
CONTR/BRIGHTN
OSD/TEXT INSERT
CCC
WHITE-P. ADJ.
HOUT
V-DRIVE
EHTO
EWD
R/V
Y
R
R
V
H
G
G
B
B
BL
RGB/YUV INSERT
RGB/YUV MATRIX
SATURATION
YUV/RGB MATRIX
U
V
G/Y
B/U
BL
V
V-DRIVE +
GEOMETRY
ROM/RAM
CVBS
I
2
C-BUS
TRANSCEIVER
VST PWM-DAC
I/O PROTS
TELETEXT
ACQUISITION
SYNC
EW GEOMETRY
H-DRIVE
2
nd
LOOP
H-SHIFT
BASE-BAND
DELAY LINE
REF
REF
QSS SOUND IF
AGC
QSS MIXER
AM DEMODULTOR
ENIANCED
80C51 CPU
LUMA DELAY
PEAKING
BLACK STRETCH

Related product manuals