EasyManua.ls Logo

NEC DTE-29U1TH - Tda835 Xj Vertical Amplifier

NEC DTE-29U1TH
71 pages
Print Icon
To Next Page IconTo Next Page
To Next Page IconTo Next Page
To Previous Page IconTo Previous Page
To Previous Page IconTo Previous Page
Loading...
-24-
Service Manual CP-785F
V
CC1
V
CC
10
11
12
9
IN2-
TDA8946J
IN2+
MODE
SVR
STANDBY/
MUTE LOGIC
316
IN1-
IN1+
8
6
1
4
17
14
215
MBK933
OUT1-
OUT1+
OUT2-
OUT2+
GND2
GND1
SHORT CIRCUIT
AND
TEMPERATURE
PROTECTION
V
CC2
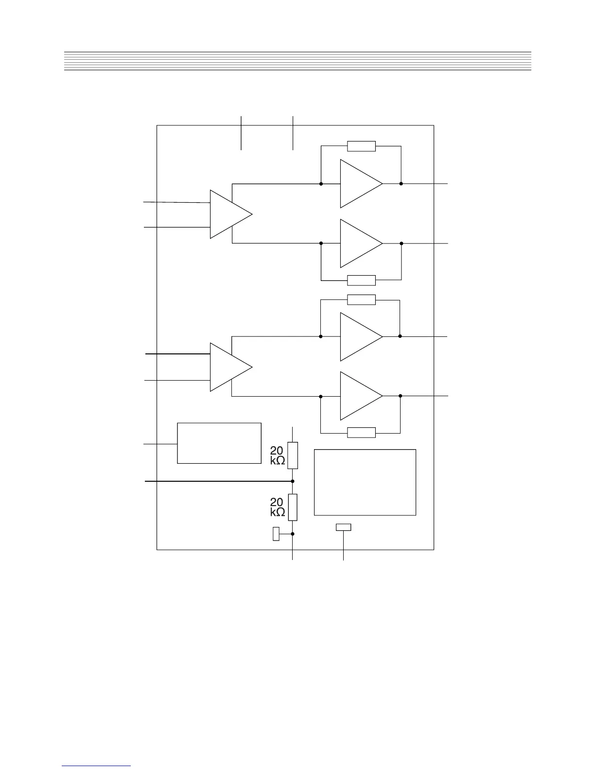
4-4 TDA835xJ Vertical Amplifier
The TDA835xJ are power circuit for use in 90¡ and 110¡ colour deflection systems for field
frequencies of 25 to 200Hz and 16/9 picture tubes. The circuit provides a DC driven vertical
deflection output circuit, operating as a highly efficient class G system. Due to the full bridge
output circuit the deflection coils can be DC coupled.
The IC is constructed in a Low Voltage DMOS process that combines Bipolar, CMOS and
DMOS devices. MOS transistors are used in the output stage because of the absence of
second breakdown.

Related product manuals