EasyManua.ls Logo

NEC DTE-29U1TH - Power Supply (STR-F665 X)

NEC DTE-29U1TH
71 pages
Print Icon
To Next Page IconTo Next Page
To Next Page IconTo Next Page
To Previous Page IconTo Previous Page
To Previous Page IconTo Previous Page
Loading...
-39-
Service Manual CP-785F
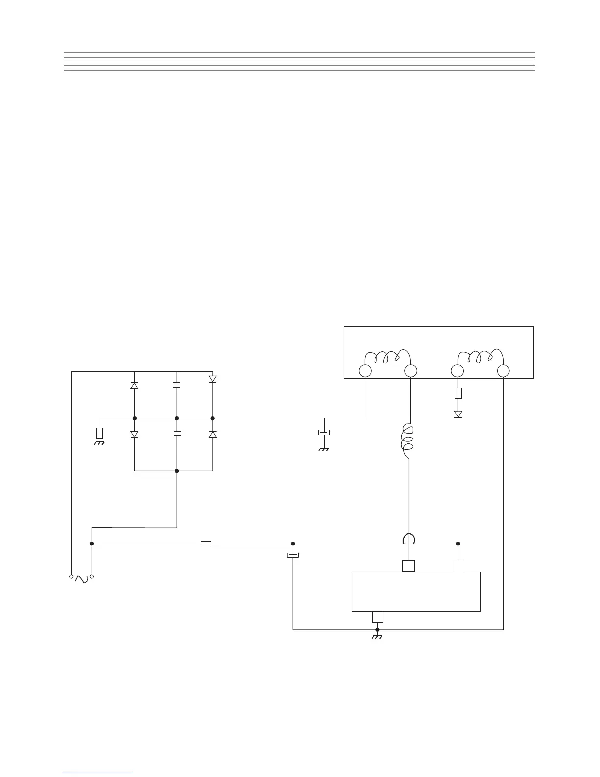
5-8 Power supply (STR-F665X)
5-8 -1 STR-F665X general description
The STR-F665X is an hybrid IC with a build-in MOSFET and control IC, designed for flyback
converter type switch mode power supply applications.
5-8 -2 Power supply primary part operations
An oscillator generates pulses signals which turn on and off a MOSFET transistor.
* Start -up circuit: VIN
The start-up circuit is used to start and stop the operation of the control IC, by detecting a
voltage appearing at V
IN pin (pin 4).
R819
D802
D801
D803
D804
C804
C803
R802
C806
C805
Main AC voltage
2
D805
R805
L801
4
Ground
Drain Vin
T801 SMPS TRANS
3
I801 STR-F6653
5
Power supply start-up circuit
7
6
4

Related product manuals